描述:
在 STEP 7 Micro/WIN SMART里定时器的调用总数限制在 256:
带记忆的接通延时定时器 (“TONR”) :
图1
定时器可以进行如下仿真而没有限制:
注意:开始间隔时间指令读取内置 1 毫秒计数器的当前值,并将该值存储在 OUT 中。 双字毫秒值的最大计时间隔为 2 的 32 次方或 49.7 天。
接通延时定时器
输入点 I0.0 接通(上升沿) 3 秒后(3000 ms), 输出点 Q0.0 置位。

图2
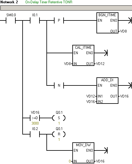
带记忆的接通延时定时器
如果输入点 I0.1 的接通时间等于或大于 3 秒 (3000 ms),输出点 Q0.1 置位。输入点 I0.2 用于复位。

图3
断开延时定时器
输入点 I0.3 断开(下降沿) 3 秒 (3000 ms) 后,输出点 Q0.3 复位。

图4
脉冲发生
通过激活(下降沿)输入点 I0.4,输出点 Q0.4 获取一个持续 3 秒(3000 ms)的脉冲。

图5
下载:
可下载的附件 "TON_TONR_TOF_TP.zip" 是包含上面所示程序的例子项目。
注意: