许多数控车的好友都会用ISO编程,相对的也就一时不习惯DIN编程。那么如何简单有效的掌握两种编程以及分辨两者之间的不同呢?本文以G71和CYCLE952为例,各写了一个程序,讲述了二者的不同:G71可应对外圆粗加工多次循环车削工件;CYCLE952可以替代G71(G72,G73,G70),今天我们来给大家讲解一下。
CYCLE952优于前述循环的地方以G71为例,粗车切削深度可自动控制,随台阶变化而变化,粗车遇台阶无X轴突变,保护机床和刀具;可以平行于X轴切削,也可以自动坡走切削,使刀沿不持续承受相同负载,从而延长刀具寿命;DI参数项(SW24为选项,SW26,SW28为标配)沿X轴有类似铣床G73沿Z轴的啄钻,有断屑功能。
提示:西门子828D数控系统,可以兼容ISO和DIN编程方式,G291之后ISO语言可识别,G290后DIN语言可识别。
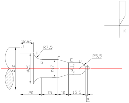
1. 零件图

图1
刀具:粗车刀(2号刀),需要输入刀尖半径,例如0.1mm

图2
2. G71G70程序(ISO模式)
用G71、G70指令粗、精车外圆程序。车削程序编写如下。
N10 G290 | G290为系统进入DIN模式 |
N20 G55 | 设定工件右端面中心点为程序原点 |
N30 WORKPIECE(,,,"CYLINDER",0,2,-70,-60.5,41) | 与加工轨迹无关,可以模拟工件被加工过程和结果 |
N40 G291 | G291为系统进入ISO模式 |
N50 G00 X150. Z100. S800 M03 T0202 | 快速定位到程序始点K |
N60 G00 X41. Z2. | 快速定位到循环始点A |
N70 G71 U2. R1. | 粗车循环(每次切深,退刀量) |
N80 G71 P90 Q170 U0.5 W0.2 F0.2 | 粗车循环(精加程序段首尾号,精加余量) |
N90 G00 X0 Z2 | 定位到精车切入点B,精车路线开始段 |
N100 G01 Z0 X0 | 切入到C |
N110 G03 X11. Z-5.5 R5.5 | 切弧CD |
N120 G01 Z-15.5 | 直线DE |
N130 X17 W-10 | 直线EF |
N140 W-15 | 直线FG |
N150 G02 X29 W-7.348 R7.5 | 切弧GH |
N160 G01 W-12.652 | 直线HI |
N170 X41. | 切出,直线IJ,精车路线结束段 |
N180 G70 P90 Q170 F0.1 | 精车循环 |
N190 G00 X150. Z100. | 回到起始位置 |
N200 M30 | 程序结束 |
3. CYCLE62 CYCLE952程序(ISO+DIN模式)
用CYCLE62、CYCLE952指令粗、精车外圆程序。车削程序编写如下。
N10 G290 | G290为系统进入DIN模式 |
N20 G55 | 设定工件右端面中心点为程序原点 |
N30 WORKPIECE(,,,"CYLINDER",0,2,-70,-60.5,41) | 与加工轨迹无关,可以模拟工件被加工过程和结果 |
N40 G291 | G291为系统进入ISO模式 |
N50 G00 X150. Z100. S800 M03 T0202 | 快速定位到程序始点K |
N60 G00 X41. Z2. | 快速定位到循环始点A |
N70 G290 | G290为系统进入DIN模式 |
N80 CYCLE62(,2,"LAB1","LAB2") | 调用精车程序段循环(精车程序段首尾号) |
N90 CYCLE952("PRG001",,"",2101331,0.2 ,0,0,2,0.1,0.1,0.25,0.2,0.1,0,1,0,0,,,,,2,2,,,2, 1,,0,12,1100110,1,0,0.1) | 调用粗车,精车循环(该宏程序可替代G70,G71,G72,G73,可设置,精加余量,加工方向,方式,DI粗加断屑功能等) |
N100 G00 X150. Z100. | 回到起始位置 |
N110 M30 | 程序结束 |
N120 LAB1:G291 | 加标记《LAB1:》,G291为系统进入ISO模式 |
N130 G00 X0 Z2 | 定位到精车切入点B,精车路线开始段 |
N140 G01 Z0 X0 | 切入到C |
N150 G03 X11. Z-5.5 R5.5 | 切弧CD |
N160 G01 Z-15.5 | 直线DE |
N170 X17 W-10 | 直线EF |
N180 W-15 | 直线FG |
N190 G02 X29 W-7.348 R7.5 | 切弧GH |
N200 G01 W-12.652 | 直线HI |
N210 X41. | 切出,直线IJ,精车路线结束段 |
N220 G290 | G290为系统进入DIN模式 |
N230 LAB2: M17 | 加标记《LAB2:》,M17子程序段结束标记 |
4. CYCLE62用法
关于精车程序段的操作:
a. 把G71G70程序中描述精车路线的程序段N90-N170,复制到M30之后;
b. 在前面添加一行程序段:LAB1:G291;
i. LAB1为标记,G291为系统进入ISO模式,以识别精车路线中的ISO语句。
c. 在后面添加两行程序段:G290和LAB2: M17。
i. G290为系统进入DIN模式,以识别西门子宏程序CYCLE952
ii. LAB2为标记,M17为子程序段结束标记
关于CYCLE62的操作:
CYCLE62对应于G71中的P(ns) Q(nf),ns为精加工程序第一个程序段的顺序号,nf为精加工程序最后一个程序段的顺序号。
a. 在程序段中输入CYCLE62(),按向右箭头;
b. 显示对话框;
c. 选择标签;
d. 输入LAB1和LAB2;
e. 点接收。
5. CYCLE952同于G70-G73的设置:
在程序段中输入CYCLE952(),按向右键。
PRG | 输入一个程序名,例如PRG001,该程序用来存储。 |
SC | 安全距离,类似G81的R平面,单位mm |
F | 粗加工的进给率,单位mm/r |
加工 | 可选粗加(G71/G72/G73),精加(G70),粗加+精加 |
FS | 精加工的进给率,单位mm/r |
纵向/横向/平行于轮廓 | 具体纵向G71/横向G72/平行于轮廓G73 |
外部/内部 | G71外圆粗车选外部 |
←/→ | ←G71,会检查刀沿和根据精加程序选择本例程序自Z+至Z- |
D | 切深,具体G71 U(∆d)中的∆d,每次切削深度(半径值),有正负,本例输入2 |
UX | X轴精加工余量,具体G71 U(∆u)中的∆u的一半,半径值,本例输入0.5/2 |
UZ | Z轴精加工余量,具体G71 W(∆w)中的∆w,本例输入0.2 |
BL | 圆柱体/余量/轮廓,具体圆柱体即G71,G72;余量即G73,轮廓本例不讨论。 |
XD | 0inc,即G71,在精加出刀时X41已考虑毛坯量,所以0inc |
ZD | 0inc,即G71,在精加进刀时Z2已考虑毛坯量,所以0inc |
凹轮廓加工 | 选否,本例不讨论。 |
加工区限制 | 选否,本例不讨论 |
6. CYCLE952优于G70-G73的设置:
a. 切深参考边沿,粗加保护刀具和机械

图3为等深车削(同G71,G72)

图4为切深参考边沿,不会在台阶处有X向抖动,粗加保护机械和刀具

图5

图6
G71在粗加时分别在X29.5Z-47.6和X17.5Z-25.3两处有(0.25mm)抖动

图7

图8
CYCLE952在粗加时分别在X29.5Z-47.6和X17.5Z-25.3两处台阶规避了抖动
b. 坡走车削,使刀沿不持续承受相同方向负载,从而延长刀具寿命

图9为沿Z轴车削(同G71)

图10为坡走车削
DI参数的断屑作用。

图11

图12
1) 功能开通时就本例,沿Z轴往负向断续进给; 2) 类似G73的q值,每次进给车削时的深度;3) DI值太小加工时间延长;4) DI值太大没有断屑效果;5) 默认为0,DI参数功能关闭;6) 在SW24时为选项功能;7) 图11为DI功能关闭(同G71); 8) 图12为DI功能开通。

图13

图14

图15
DI=2.0时,图13粗加时进给沿进刀方向至-8.048,图14粗加时进给沿进刀反方向退至-7.048,图15粗加时进给沿进刀方向至-10.058
下载安装Sinutrain软件
参考http://www.ad.siemens.com.cn/CNC4YOU/Home/Article/988.
需要注意的两点:
a. 请把下载到的Sinutrain安装文件放置到全英文目录下,例如D:\Sinutrain
b.当出现下图所示的需要重新启动才能安装软件时,请更改注册表,位置
HKEY_LOCAL_MACHINE\SYSTEM\CurrentControlSet\Control\Session Manager
828D_应用_车床应用包--断屑加工指导手册_2019
参考http://www.ad.siemens.com.cn/download/docMessage.aspx?Id=15295
最后,如果您还有任何问题,可以随时在我们“问与答”板块进行提问,我们很高兴与您进行探讨和沟通!