本使用手册及样例包目录内所包含文档、PLC程序、机床可执行程序(MPF、SPF)、电气图等均为免费,在使用前应认真阅读参考文档,使用手册及样例包提供的内容仅供参考,使用者应根据自己的机床自行调整使用,并规避可能存在的风险。
对于在使用中发生的人员、财产损失本公司不承担任何责任,由使用者自行承担风险。
以上声明内容的最终解释权归西门子(中国)有限公司所有,后续内容更新不做另行通知。
客户在使用SINUMERIK828D系统在加工过程中, 由于外部供电环境的原因突发断电,有可能发生以下问题:
Ø 如果轴是垂直轴,突然断电时轴可能下落。
Ø 如果轴是水平轴,尤其在斜车应用中,轴在快速运动时,突发断电轴会滑行一段距离。
上述现象均可能造成刀具和工件的损坏,甚至报废,甚至还有可能对机床、操作人员的人身安全造成威胁。
为了避免这种伤害,需要使用断电停止与回退功能。西门子目前有ESR选项功能可以实现断电轴回退,但这个功能需要添加额外的选项和供电模块。根据用户的需求,这里从应用上给出一个不需要ESR选项和额外附加西门子模块也能实现断电轴不掉落的方案,仅供参考!
硬件 | |||||
工艺 | PPU15x.3/16x.3 808D A | PPU24x/ NCU710 | PPU26x/ NCU720 | PPU28x/ NCU730 | PPU27x.4/ PPU29x.4 |
车床 | ● | ● | ● | ● | ● |
铣床 | ● | ● | ● | ● | ● |
磨床 | - | ● | ● | ● | ● |
• SINUMERIK 808D ADVANCED:无
• SINUMERIK 828D/840Dsl:无
准备相关附加供电的UPS模块(仅供参考)。
附西门子相关模块订货号及大概价格,请根据实际情况(实际负载电流)来选用:
序号 | 名称 | 规格描述 | 图片 |
1 | 3RF固态继电器 | 3RF2120-1AA02 |
|
2 | DC UPS 模块
24 V/15 A | 6EP1931-2EC21 |
|
3 | DC UPS 电池模块
24 V/3.2 Ah | 6EP1935-6MD11 |
|
此应用有效改善了突发断电时垂直轴掉落的问题,但是,若要实现断电时轴回退功能,建议可以选择 ESR选项功能来实现断电回退。
5.1.1 硬件需求
序号 | 名称 | 规格描述 | 图片 |
1 | 3RF固态继电器 | 3RF2120-1AA02 | |
快速继电器的吸合释放时间基本上都在5ms至30ms的范围内。大部分都在10ms左右。
5.1.2 接线

24V通过继电器K1的一组常闭开关与828D快速输入DI1相连。
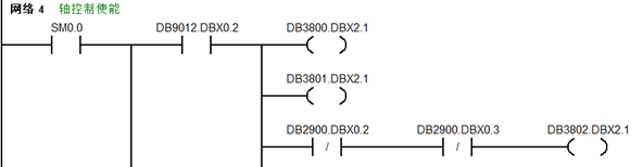
5.1.3 修改PLC

5.1.4 测试结果
项目 | 断电前轴位置 | 断电后轴位置 | 掉落距离 | |
未加快速继电器 | -292.209mm | -290.420mm | 2.211mm | |
添加快速继电器 | ![]()
| -314.278mm | -314.327mm | 0.049mm |
| -41.178mm | -41.180mm | 0.002mm | |
这里可以看到,Z轴越接近上端机械零点位置,突发断电后掉落的距离越小,所以在加工中我们可以尽可能的抬高工件的安装高度;另外一方面,抬高工件的安装高度,轴在加工过程中的振动也会有一定的减轻,改善工件加工效果。
5.2.1 硬件需求
序号 | 名称 | 规格描述 | 图片 |
1 | 3RF固态继电器 | 3RF2120-1AA02 |
|
2 | DC UPS 模块
24 V/15 A | 6EP1931-2EC21 |
|
3 | DC UPS 电池模块
24 V/3.2 Ah | 6EP1935-6MD11 |
|

这里我们可以加个常闭开关,当机床突然断电一段时间后打开这个开关,使得UPS电池和UPS之间也断开连接,避免电池电能的损耗。
确保在突发断电后24V供电正常,保证828D, S120驱动以及I/O能正常通电一段时间。

24V通过继电器K1的一组常闭开关与828D快速输入相连。
说明:
1)AC220V 继电器线圈需要接至机床220V供电。
2)将继电器一个常闭触点接至828D快速输入输出接口(X242)第三管脚DI1,如图所示。
3)在PLC中,通过DB2900.DBX0.0控制轴使能的复位信号,快速输入信号有变化时,使轴处于控制停止状态。
5.2.3 修改PLC

5.2.4 测试结果
项目 | 断电前轴位置 | 断电后轴位置 | 掉落距离 | |
未加快速继电器和UPS电源 | -292.209mm | -290.420mm | 2.211mm | |
添加快速继电器和UPS电源 | | -310.000mm | -310.001mm | 0.001mm |
| -41.000mm | -41.000mm | 0.000mm | |
这里可以看到,在添加UPS电源后,Z轴在全程上的突发断电掉落的问题得到了明显改善。

5.3.1 硬件需求
此方案不需要额外的附加继电器。根据现场垂直轴断电掉落实际情况来确定是否添加UPS电源。
5.3.2 接线
$A_IN[3] BICO to r3405.2:连接 X242 pin5 到 X132 pin 12
$A_IN[4] BICO to r3405.7:连接 X242 pin6 到 X132 pin 13

5.3.3 参数设置
N10350 $MN_FASTIO_DIG_NUM_INPUTS=5
N10360 $MN_FASTIO_DIG_NUM_OUTPUTS=5
进入控制单元参数画面,找到P28参数:

设置 X132 pin 12 和 pin 13 为输出端:

设置P744 BICO 连接 ALM r3405.2, P745 BICO 连接 ALM r3405.7。

5.3.4 PLC编辑

Bai Zhifu
2019.11.30
版本 | 日期 | 修改内容 |
V1.0 | 2019.11.30 | |