本使用手册及样例包目录内所包含文档、PLC程序、机床可执行程序(MPF、SPF、…)、电气图,可能与用户实际使用不同,用户可能需要先对例子程序做修改和调整,才能将其用于测试。本例程的作者和拥有者对于该例程的功能性和兼容性不负任何责任,使用该例程的风险完全由用户自行承担。由于它是免费的,所以不提供任何担保,错误纠正和热线支持,用户不必为此联系西门子技术支持与服务部门。
对于在使用中发生的人员、财产损失本公司不承担任何责任,由使用者自行承担风险。
以上声明内容的最终解释权归西门子(中国)有限公司所有,后续内容更新不做另行通知。
为了满足市场上对于15KW的电机低速大扭矩,高速扭矩持续的应用,西门子开发出了此款1PH3136的双速电机,电机的特性曲线如下图所示:

与调试第三方电机不同的是,此款电机编码器中已经写入了两组电机数据,我们可以通过驱动直接读取
上来,本应用将介绍此款电机的详细接线以及调试过程。

· SINUMERIK 828D软件版本需要大于 SW4.8.2
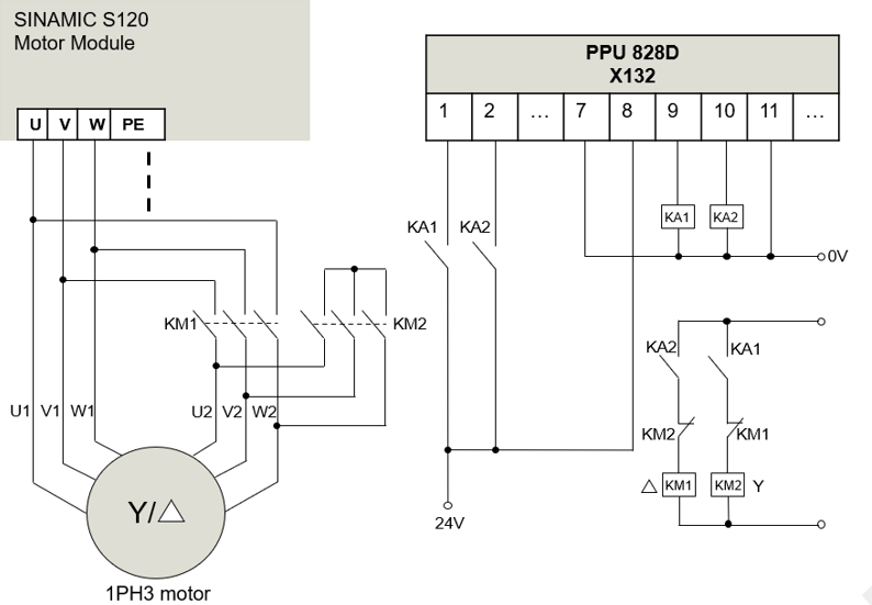
· 实现星三角切换需要额外的两个继电器和两个接触器
星三角电机接线如下所示:

本应用中参数设置关联的接线如下所示:

l KA1为星接继电器
l KA2为角接继电器
l KM1为角接接触器
l KM2为星接接触器
注意:KM1与KM2两个接触器需要互锁
要实现电机的星三角切换,需要配置两组电机数据。
•依次按下“调试---驱动系统---驱动---数组”进入数据组界面.

•点击“添加数据组”添加一个数据组,修改数值为2,8,8。如下图所示。

•点击“下一步”,根据画面提示(默认即可,不需要额外修改)操作直到配置完成。如下图所示:

•修改驱动数据P10=3进入电机调试状态。

待电机调试完成后需要切记将P10改为0。
•修改P922=[999]使用BICO的自由报文设计,否则后续相关参数无法修改。

•电机数据确认
进入驱动数据画面,查看P350,P354,P356等电机数据,当前数据[0]位和[1]位是相同的,皆为星接电机参数。

第二组电机数据即角接电机数据需要手动操作读取上来。找到P300参数:

将P300[1]位手动选择“[10001]载入第二个数据组的电机数据”。
此时P300[1]不会更改为10001,仍为“[1]异步电机”,但是第二个数据组的电机数据已经自动读取设置完毕。

根据此款电机特性曲线修改以下参数:
参数号 | 值 |
P640[0…7] | 37.5 A |
P640[8…15] | 60 A |
P1520[0…7] | 177 N.m |
P1520[8…15] | 143.24 N.m |
P1521[0…7] | -177 N.m |
P1521[8…15] | -143.24 N.m |
P1530[0…7] | 18.5 KW |
P1530[8…15] | 30 KW |
•设置星三角切换由驱动控制
P833=0 通过应用程序/驱动的接触器转换
•设置星三角切换电机热模型
P826[0]=0
P826[1]=0 在星三角切换时,同一个电机设置为同一个热模型。
•设置星三角切换状态位编号
P827[0] = 0:在 MDS0 时接通 r0830.0
P827[1] = 1:在 MDS1 时接通 r0830.1
•设置驱动数据组位编号
P820[0] = 0
P821[0] = 0
P822[0] = 0
P823[0] = r2197.2
P824[0] = 0
此处为16进制位。当电机转速超过 P2155+P2140 时 r2197.2 接通,P823[0]=1,此时请求切换到 DDS8驱动数据组,MDS1电机数据组接通;当电机转速低于 P2155时 P2197.2 断开,P823[0]=0,此时请求切换到 DDS0驱动数据组,MDS0电机数据组接通。

•设置星三角切换电机速度
P2155[0…15] =1200 星三角切换速度
P2140[0…15] =90 转速回差值

当升速中主轴实际速度达到P2155+P2140后,开始切换为三角型接法;
当降速中主轴实际速度减到P2155-P2140后,开始切换为星型接法。
•设置星三角切换延迟时间
P0839 电机切换接触器控制延迟时间 / 电机切换延迟时间
在下列情况下考虑该延迟时间:
- 反馈当前接触器“打开”。延迟时间结束后接通新的电机接触器。
- 反馈新的电机接触器“闭合”。延迟时间结束后使能脉冲。
•设置PPU 828D X132接口定义
通过设置控制单元参数P728将X132.9口和X132.10口定义为输出端。

•设置星三角切换输出信号
P742=r830.0,当r830.0为1时,X132.9输出控制星接接触器,电机为星型接法,电机数据组为MSD0;
P743=r830.1,当r830.1为1时,X132.10输出控制角接接触器,电机为三角型接法, 电机数据组为MSD1;

•设置星三角切换反馈信号
P831[0] =r722.4,当X132.1口收到反馈信号后,p831[0]=1;
P831[1] =r722.5,当X132.2口收到反馈信号后,p831[1]=1;

•通过观察监控状态字r2197.2位的变化

•通过驱动数据r49和r51查看生效的电机数据组和驱动数据组

在星三角调试中可能会遇到一些问题,解决方法如下。
•问题一:ALM-207530 驱动:驱动数据组DDS不存在

解决方法:激活的DDS驱动数据组与配置的驱动数据组冲突。修改驱动参数P820-P824,或者重新配置驱动数据组,保证配置的数据组中含有需要激活的数据组。
•问题二:ALM-207520 驱动:无法执行电机切换

解决方法:检查系统X132接口接线,确保各管脚接线正确;检查根据硬件接线的参数设置。
•问题三:ALM-207411 驱动:磁通控制器输出受限

解决方法:检查两组电机数据组,如P350,P354,P360等,因为涉及到星三角切换特性不同,故而两组数据肯定是不同的,若两组数据相同,则会产生上述报警。通过修改P300参数来自动读取电机两组数据,详见上述介绍。
Bai Zhifu
2021.12.30
版本 | 日期 | 修改内容 |
V1.0 | 2021.12.30 |