西门子828D上提供了很多好用的孔类加工方式,钻中心孔、钻削铰孔、深孔钻削等。同时又提供了各种位置模式来辅助加工极大了提高了效率。

image.png

上面这个图里的位置模式为孔类加工提供很大的便利,但有时我们想要进行腰形槽类的加工能否也用这个位置模式呢?

答案是肯定的。江苏某大型风电机械厂就利用了槽类位置模式加工,很轻松的编写出了加工程序,完成了加工任务。

image.png image.png

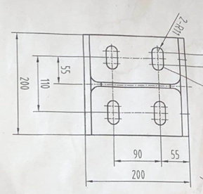
图1:零件图和加工出的零件

程序如下:

***************************************************************************************************

WORKPIECE(,"",,"RECTANGLE",0,0,-200,-80,200,200)    //建立毛坯尺寸方便程序模拟

G0Z100 

T="CUTTER 6"D1m6

M3S1000F1000

MCALL SLOT1(100,0,0.1,,20,1,47,22,0,0,5,90,0,30,2000,0.2,0,0,31,0.1,15,15,0,15,2,0,1,2,100,1011,101) 

X=-90/2 Y55       //G代码定义第一个孔位

X=90/2 Y55           //G代码定义第二个孔位

X=-90/2 Y-55         //G代码定义第三个孔位

X=90/2 Y-55          //G代码定义第四个孔位

MCALL                 //结束位置模态

M30

*****************************************************************************************************************

1.1 首先确定槽的工艺参数,选定位置模式(MCALL)

image.png

图2:在加工腰形槽时,选择模态调用MCALL

如果将“单独位置”切换为“位置模式(MCALL)”,则在当前的位置上并不执行加工的动作,而是当刀具定位到后面——包含运动坐标的位置上,才会执行加工的动作。同时,生成的代码格式为:

MCALL SLOT1(100,0,0.1,,20,1,47,22,0,0,5,90,0,30,2000,0.2,0,0,31,0.1,15,15,0,15,2,0,1,2,100,1011,101) 

1.2  根据图纸确定4个槽的位置(客户这边习惯直接用G代码来确定4个加工的槽的位置。)

X=-90/2 Y55     

X=90/2 Y55

X=-90/2 Y-55

X=90/2 Y-55

这种编程方法之前也有过介绍,可以参照http://www.ad.siemens.com.cn/CNC4YOU/Home/Article/763 (西门子循环CYCLE83的使用)

方法2:也可以选择位置模式里的任意位置(CYCLE802)来定义4个槽的加工位置,虽然按键分布在“钻削”菜单下,但也可以用。

MCALL SLOT1(100,0,0.1,,20,1,47,22,0,0,5,90,0,30,2000,0.2,0,0,31,0.1,15,15,0,15,2,0,1,2,100,1011,101)

mm: CYCLE802(111111111,111111111,-45,55,45,55,-45,-55,45,-55,,,,,,,,,,,0,0,1)

MCALL

M30

image.png

图3:采用Cycle802循环完成四个腰形槽的定位

根据加工图纸在(X0Y0X1Y1X2Y2X3Y3)填入位置坐标

image.png

图4:输入4个坐标点位

点接受后生成代码:

 mm: CYCLE802(111111111,111111111,-45,55,45,55,-45,-55,45,-55,,,,,,,,,,,0,0,1)

方法3:还可以用框架位置模式(CYCLE801)来定义4个槽加工位置,程序的复杂度进一步降低了。

image.png   image.png 

图5:采用框架位置的方式确定4个腰形槽的位置

点接收生成:nn: CYCLE801(-45,-55,0,90,110,2,2,1,0,0,0,,,1)


1.4 最后要加上“MCALL”结束位置模态(如图5 中M30上方的语句所示)

如果没有在单独的程序行里写入不带任何参数的“MCALL”指令取消当前的模态,只要在后续的程序段中编写了坐标位置,那么机床运动到该位置后,仍然会继续执行当模式的钻孔动作。


从以上的例子可以看出西门子提供的这些位置模式(MCALL)不仅可以用在钻孔类加工,对于只要可以设置位置模式的加工类型(槽、型腔、凸台等)都可以应用位置模式循环,也可以通过G代码单独定义加工位置。

image.png

图6:只要可以选用位MCALL的工艺循环,都可以使用位置模式进行模态调用。如图上的圆形腔体加工循环,也可以使用这个方法。