quote:以下是引用kdrjl在2013-06-01 15:31:40的发言:
山穷水尽疑无路,柳暗花明又一村。
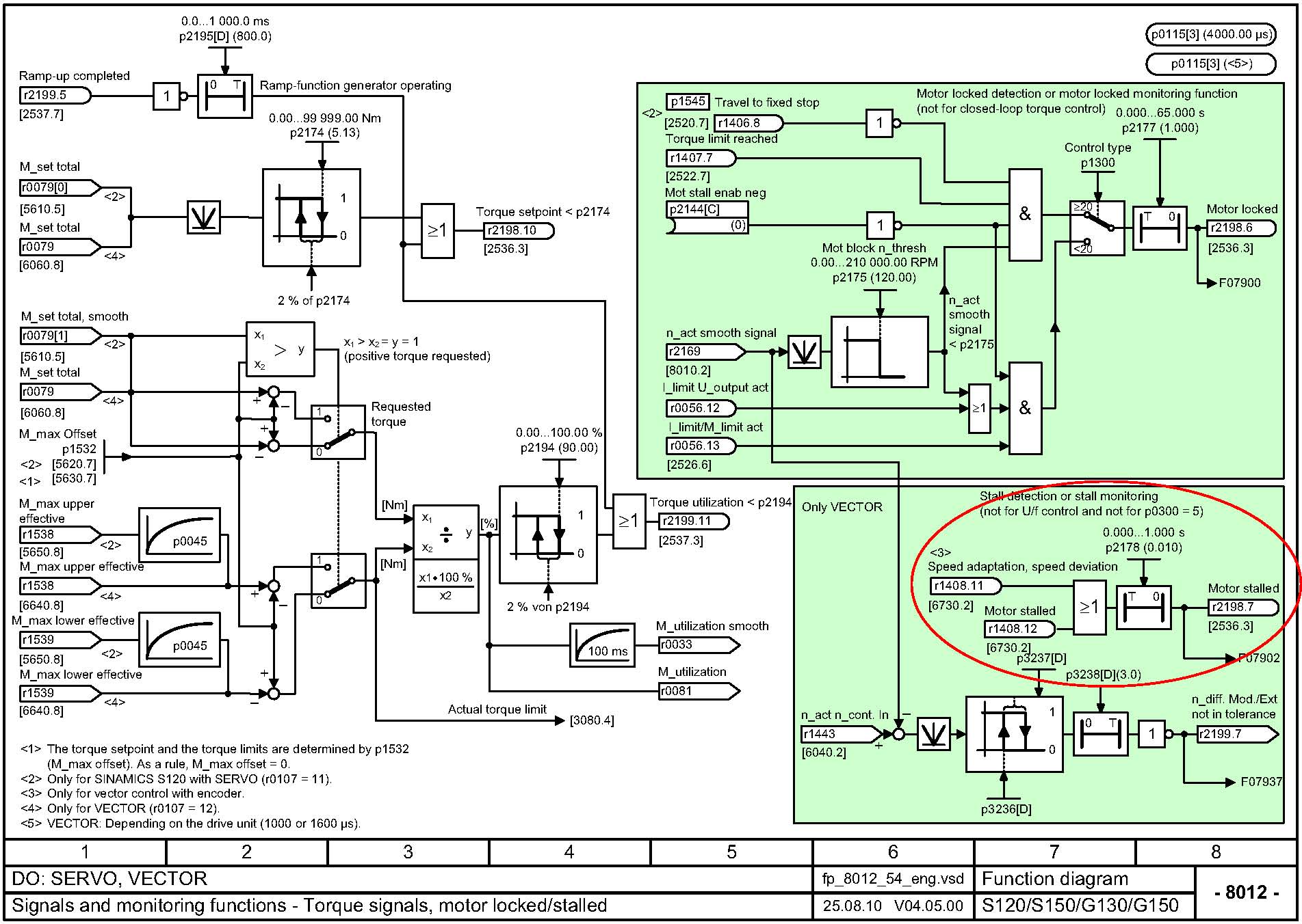
看功能图,F07902的相关参数,再看故障值为2,由此,把故障激活的延时时间加长,目前ok了,不论外部动力机械如何快速转动,装置均不再报F07902了。
顺便透露一下,采用DCC的PI调节器做的轴转矩闭环控制,既准又稳,而且没调参数,直接设置的经验参数(以前的6SE70的自由功能块参数),就可以。好使。
现在看来,如果用S120做电机的对拖试验,故障F07900和F07902都是必须要做工作的。否则,转矩控制或转矩限幅控制过不去,故障导致其控制工艺无法实现。
此楼问题,总结性描述:
如果F7902的故障值等于2;延时参数要设置,另外还有两个相关的参数也要设置。
P1401.5 = 1;
P1750.4 = 1;
P2178 = 1.0。
这样就解决了。