回复:西门子G120-30KW/37KW变频器.模拟量远程给定6MA,变频器输出6MA,接上电脑输出10MA,接DCS通道变8

kdrjl

西门子1847工业学习平台

  • 帖子

    36657
  • 精华

    451
  • 被关注

    1445

论坛等级:至圣

注册时间:2003-06-06

钻石 钻石 如何晋级?

发布于 2018-12-06 11:04:17

4楼

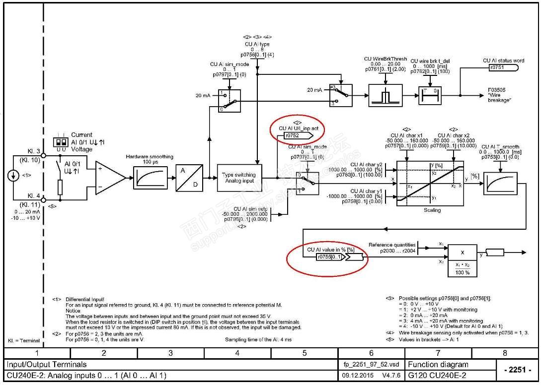
这不就是一个信号规格化的问题吗?有什么难的?根据功能图,自己监控一下设定值的信号和输出的信号,就可以确定是哪的事了吧?


非常简单的事情。




上位发一个毫安数,分别监控r752和r755;在监控r772和r774,看看信号差在哪,就知道该如何办了。

我是你的朋友
评论
编辑推荐: 关闭

请填写推广理由:

本版热门话题

驱动技术综合产品

共有1966条技术帖

相关推荐

热门标签

相关帖子推荐

guzhang

恭喜,你发布的帖子

评为精华帖!

快扫描右侧二维码晒一晒吧!

再发帖或跟帖交流2条,就能晋升VIP啦!开启更多专属权限!

  • 分享

  • 只看
    楼主

top
您收到0封站内信:
×
×
信息提示
很抱歉!您所访问的页面不存在,或网址发生了变化,请稍后再试。