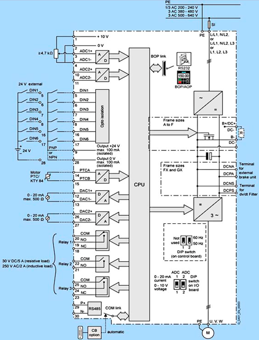
MM440接线图

端子说明:
- 1、2端子为DC10V电源输出,1为+10V、2为0V,如果使用该电源给电位器供电,电位器阻值必须大于4700欧姆
- 3、4端子为模拟量输入1,3正、4负,可连接电压信号(例如0~10V)或电流信号(0~20mA或4~20mA),通过DIP1开关和参数选择
- 10、11端子为模拟量输入2,10正、11负,可连接电压信号(例如0~10V)或电流信号(0~20mA或4~20mA),通过DIP2开关和参数选择
- 5、6、7、8、16、17端子为变频器数字量输入
- 9、28端子为DC24V电源输出,9为+24V、28为0V,该电源最大输出能力为100mA
- 12、13端子为变频器模拟量输出1,12正、13负,只能输出电流信号(例如0~20mA或4~20mA)
- 26、27端子为变频器模拟量输出2,26正、27负,只能输出电流信号(例如0~20mA或4~20mA)
- 18、19、20端子为变频器继电器输出1,该触点支持DC30V/5A或AC250V/2A负载,18和20为常闭触点,19和20为常开触点
- 21、22端子为变频器继电器输出2,该触点支持DC30V/5A或AC250V/2A负载,21和22为常闭触点
- 23、24、25端子为变频器继电器输出3,该触点支持DC30V/5A或AC250V/2A负载,23和25为常闭触点,24和25为常开触点
- 29、30端子为变频器自带的RS485接口支持USS协议,29为P+、30为N-
- 14、15位电机温度传感器接口
注意:小于等于75kw的MM440包含内置制动单元具有B+/B-端
子,能够直接连接制动电阻。大于75kw的MM440不包含内置制动单元。
MM420/430/440数字量输入输出设置
MM420/430/440模拟量输入输出设置