如何将电位器连接至MM420模拟量输入调节变频器频率
接线
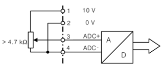
如图所示,1、2端子为电位器供电,电位器滑动端连接到3号端子,将2号端子与4号端子短接。

注意:电位器阻值必须大等于4.7千欧,否则可能损坏10V电源。
电位器选择
模拟量输入参数设置
- P0756
= 0 ;模拟量输入类型,电压类型
- P0757
= 0 ;标定X1值 = 0V
- P0758
= 0.0 ;标定Y1值
= 0%
- P0759
= 10 ;标定X2值 = 10V
- P0760
= 100.0 ;标定Y2值
= 100%
- P0761
= 0 ,模拟量输入死区
控制参数设置
- P1000
= 2 ,使用模拟量输入1调节变频器输出频率