以下信息适用范围:MM420

实例2:本地端子控制,远程USS控制(或PROFIBUS控制)


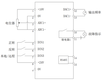
本地:5号端子控制正转,6号端子控制反转,电位器调速(或0~10V);
远程:USS通讯控制启停和调速(或PROFIBUS控制);
切换:7号端子作为本地远程切换,7号端子断开时为本地控制,7号端子接通时为远程控制。

P0700 = 2;本地端子控制
P0701 = 1
;本地时由端子5控制正转
P0702 = 2
;本地时由端子6控制反转
P1000 = 2
;本地时采用模拟量给定频率
P0703 = 21设置7号端子为本地/远程切换
P0719[0] =0
;本地控制,P0700P1000参数设定的控制方式有效
P0719[1] = 55
;远程控制,P0700P1000参数设定的控制方式无效,由USS通讯控制(远程采用PROFIBUS P0719[1] = 66