以下信息适用范围:MM420

实例3:本地端子控制固定转速,远程端子控制模拟量调速


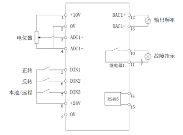
本地:5号端子控制正转,6号端子控制反转,固定转速;
远程:5号端子控制正转,6号端子控制反转,模拟量调速;
切换:7号端子作为本地远程切换,7号端子断开时为本地控制,7号端子接通时为远程控制。

P0700 = 2;端子控制
P0701 = 1
;由端子5控制正转
P0702 = 2
;由端子6控制反转
P1040 = X
X为本地时频率设定值,例如X=30Hz,本地运行30Hz
P1000 = 2
;远程时采用模拟量给定频率
P0703 = 21设置7号端子为本地/远程切换
P0719[0] = 1
;本地控制,P0700设定的控制方式有效,P1000设定的调速方式无效,由MOP设定
P0719[1] = 0
;远程控制,P0700P1000参数设定的控制方式有效


MM420模拟量输入如何设置