PS307电源介绍
本文档主要介绍如下内容:PS307电源介绍,S7-300系统电源需求计算和背板总线的容量计算。
1. PS307电源介绍
1) PS307电源可用于 S7-300 PLC 和传感器/执行器供电。电源属性如下:
a. 输出电压为 24 VDC;具有短路和断路保护功能
b. 模块供电需要单相交流电 (额定输入电压 120/230 VAC,50/60 Hz)
c. 安全隔离符合 EN 60 950
d. 可用作负载电源
根据输出电流分为三种规格:6ES7307-1BA01-0AA0(2A);6ES7307-1EA01-0AA0(5A); 6ES7307-1KA02-0AA0(10A)。
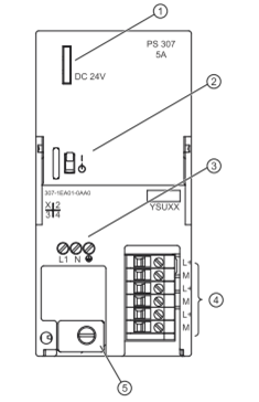
2) 电源模块示意图
① 指示灯,显示"输出电压 DC 24 V 存在"
② 24 VDC 开关
③ 主回路和保护性导体接线端(120/230 VAC)
④ 24 VDC 输出电压接线端
⑤ 张力消除

3) 正常工作,DC 24V指示灯绿色常亮,非典型工作条件,电源响应如下(此处电源为5A输出,其他型号参考《S7-300 自动化系统:模块数据》)
静态含义为长时间,动态为短时间,初级端含义为模块单相交流输入端
