以下信息适用范围:SINAMICS V20


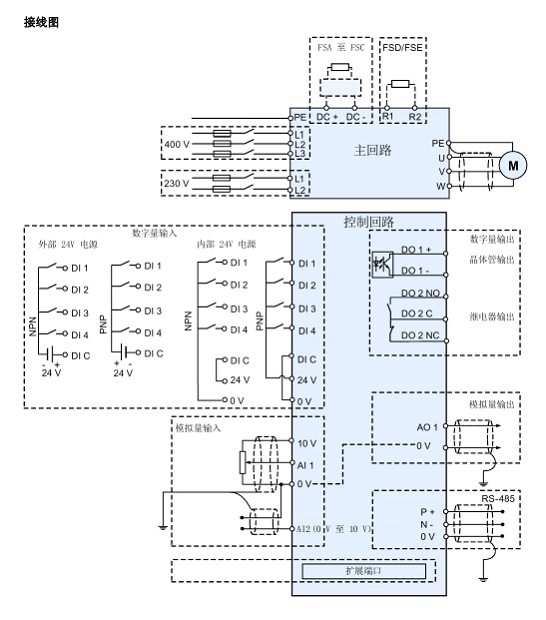
V20接线图


注意:外形尺寸A至C的V20制动模块需要单独选购;外形尺寸D至F的V20内置制动模块


样本手册