以下信息适用范围:SINAMICS V20


实例:本地端子控制,远程USS或MODBUS控制


功能说明
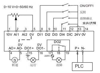
本地:8号端子控制正转,9号端子控制反转,10号端子故障复位,电位器调速(或0~10V);
远程:USS通讯控制启停和调速(或MODBUS控制);
切换:11号端子作为本地远程切换,11号端子断开时为本地控制,11号端子接通时为远程控制。


接线图


参数设置
P0700.0 = 2;本地端子控制
P0700.1 = 5;远程USS(或MODBUS)控制
P0701.0 = 1;远程8号端子DI1做正转启动
P0702.0 = 2;远程9号端子DI2做反转启动
P0703.0 = 9;远程10号端子DI3做故障复位
P0704.0 = 99;11号端子DI4做切换
P0704.1 = 99;11号端子DI4做切换
P1000.0 = 2;本地时采用模拟量1给定频率
P1000.1 = 5; 远程USS(或MODBUS)速度给定
P0810 = 722.3;11号端子DI4做切换本地远程


关于USS通讯的详细设置见链接:
https://support.industry.siemens.com/cs/cn/zh/view/92073690

关于MODBUS通讯的详细设置见链接:
https://support.industry.siemens.com/cs/cn/zh/view/92072868

V20远程与本地切换实现端子控制和PLC modbus RTU控制的切换:
https://www.ad.siemens.com.cn/service/elearning/cn/Course.aspx?CourseID=1457


详细信息请参考

V20操作说明》
https://support.industry.siemens.com/cs/cn/zh/view/109479321