当驱动器首次上电调试时,首先做如下检查:
• 主电源是否已正确连接
• 必须连接24V DC控制电源
• 伺服驱动与伺服电机之间的电缆(电机动力电缆、编码器电缆、抱闸电缆)是否已正确连接
• 电机速度和转动方向是否正确
• 正、负限位开关及EMGS信号正确连接
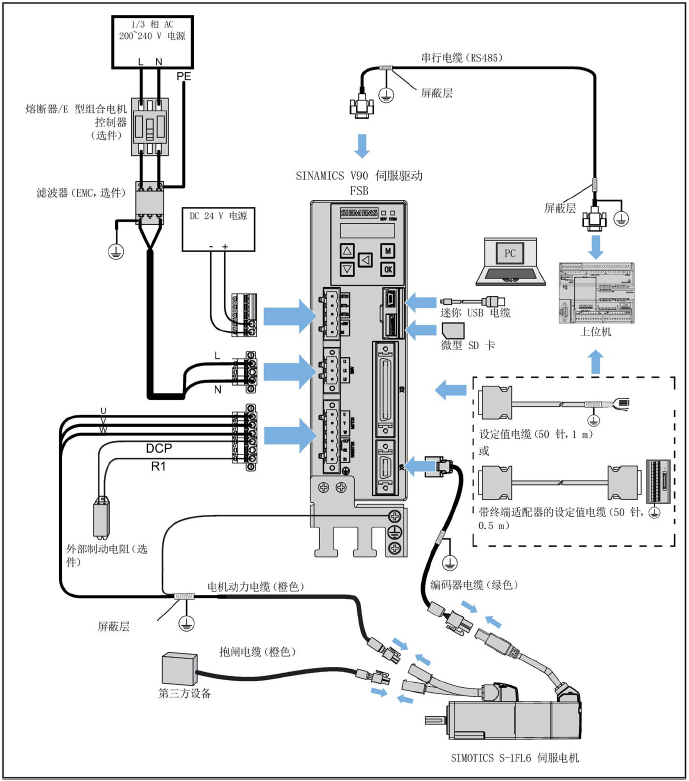
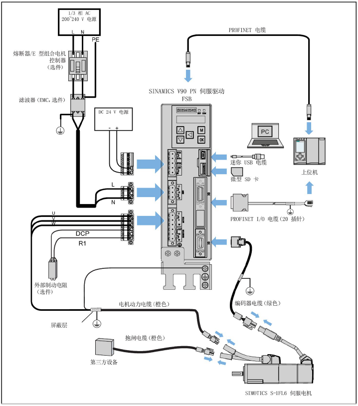
驱动器电气连接
1. V90 PTI电气系统连接图

2. V90 PN 电气系统连接图

通过BOP面板测试电机点动运行
当驱动器首次上电调试时,首先做如下检查:
• 对于V90 PTI版本,点动前数字量信号 EMGS、行程限制信号(CWL/CCWL)必须保持在高电平或修改P29300=16#46(2#1000110)
• 对于V90 PN版本,需要设置P29108.0=1,再进行点动操作。点动操作完成后,将P29108.0设置为0。
从BOP面板中进入到点动模式并设置点动速度,注意:完成 Jog 运行后应退出 Jog 模式,否则伺服驱动无法运行。

通过V-Assistant调试软件进行测试运行
调试软件中的Jog 功能仅用于在线模式,进行电机的运行测试。点击"伺服使能"按钮使能电机:

伺服使能后,设置点动的速度,点击正/反向旋转的按钮可测试电机的运行:

S7-1200/1500 通过FB284实现V90 PN的基本定位控制
BOP指示灯不亮?
检查24V供电电源,如果24V供电正常说明驱动器损坏。
为什么V90有时通过BOP操作面板无法点动?
无法通过操作面板点动设备的可能原因有:
• V-Assist调试软件处于在线状态
• 伺服使能命令SON处于激活状态,即SON=1
• 检查驱动器是否为故障状态
• 对于V90 PTI版本,点动前数字量信号 EMGS、行程限制信号(CWL/CCWL)必须保持在高电平或修改P29300=16#46(2#1000110)
• 对于V90 PN版本,需要设置P29108.0=1,再进行点动操作。点动操作完成后,将P29108.0设置为0。
为什么V90通过V-Assistant调试软件无法点动?
• 对于V90 PTI版本,点动前数字量信号 EMGS、行程限制信号(CWL/CCWL)必须保持在高电平或修改P29300=16#46(2#1000110)
• 伺服使能命令SON处于激活状态,即SON=1
• 驱动器处于故障状态,并有错误代码