V90 220V系列主电源如何接线

1.问题

SINAMICS V90 220V系列伺服驱动器主电路如何接线?

2.接线说明

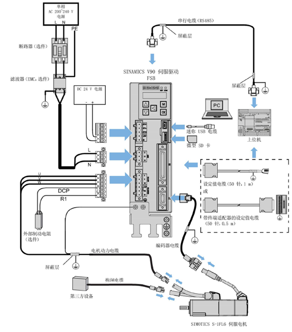
2.1 V90 FSB安装类型用于单相电网的连接图

图2-1 V90 FSB安装类型用于单相电网的连接图

说明:对于200V系列驱动,当在单相电网中使用FSA、FSB和FSC时,可将电源连接至L1、L2和L3 中的任意两个连接器上。

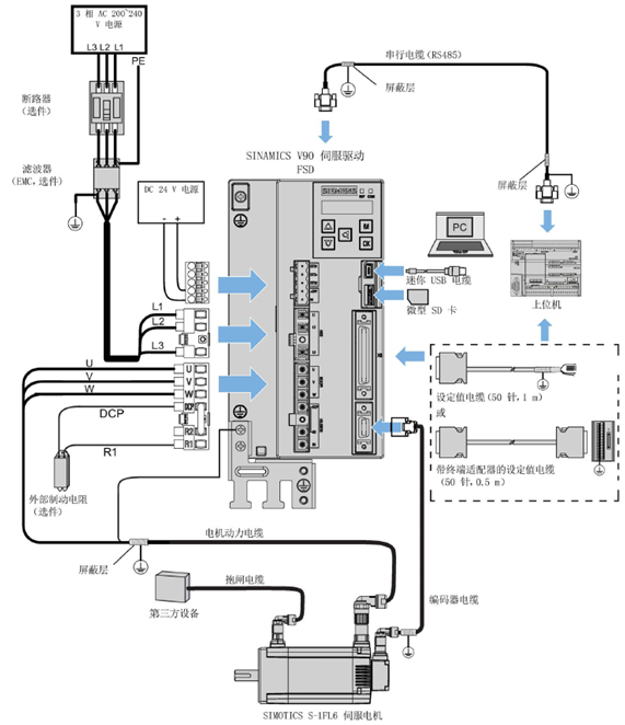
2.2 V90 FSD安装类型用于三相电网的连接图

图2-2 V90 FSD安装类型用于三相电网的连接图