SINAMICS V90 有两个模拟量输入及两个模拟量输出信号,模拟量输入可用于速度及转矩给定,也可以用于速度及转矩的限幅。模拟量输出可以将速度实际值或实际转矩值等用户自定义的信号以模拟量的形式输出。本文详细介绍了模拟量输入及模拟量输出的信号类型及功能设置。
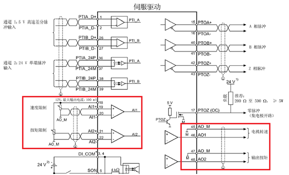
V90有两个模拟量输入及两个模拟量输出信号,接线如图2-1 所示。

图2-1 模拟量输入及输出接线
SINAMICS V90 支持两个模拟量输入。其输入电压在不同的控制模式下会有所不同,如表2-1所示。


表2-1 模拟量输入信号
(1)V90在速度控制模式(S)下模拟量输入的配置
V90在速度控制模式(S)下模拟量1(AI1)用于速度给定,在调试软件V-ASSISTANT中进行设置,如图2-2所示;模拟量2(AI2)可以设置为转矩极限如图2-3所示。

图2-2 速度控制模式(S)下AI1模拟量输入设置画面

图2-3 速度控制模式(S)下AI2模拟量输入设置画面
(2)V90在转矩控制模式(T)下模拟量输入的配置
V90在转矩控制模式(T)下模拟量1(AI1)用于速度限制值给定,在调试软件V-ASSISTANT中进行设置,如图2-4所示;模拟量2(AI2)可以设置为转矩给定值,如图2-5所示。

图2-4转矩控制模式(T)下AI2模拟量输入设置画面

图2-5 转矩控制模式(T)下AI1模拟量输入设置画面
SINAMICS V90 支持两个模拟量输出。其输出电压在不同的控制模式下会有所不同,如表2-2所示。

表2-2 模拟量输出信号输出电压
通过 p29350(选择 AO1 的信号源) 和 p29351(选择 AO2 的信号源),这两个参数可选
择模拟量输出的指令源如表2-3所示。

表2-3 模拟量输出信号信号源
在调试软件V-ASSISTANT中进行设置,如图2-6所示;

图2-6模拟量输输出设置画面