V90Profinet版是否必须接IO线缆?
要根据不同的电压规格和控制模式进行判断。
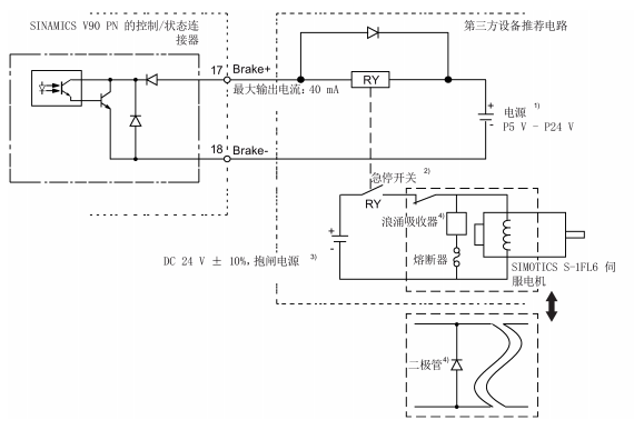
200V系列带抱闸:要将抱闸控制线缆接到驱动器的17、18号脚,所以需要IO线缆,具体接线图如下:
选择EPOS模式:要将限位开关信号接入到驱动器中,所以需要IO线缆。
其它规格的V90PN(220V非抱闸、380V)非EPOS模式可根据具体要求选择IO线缆。