MM420接线图

端子说明:
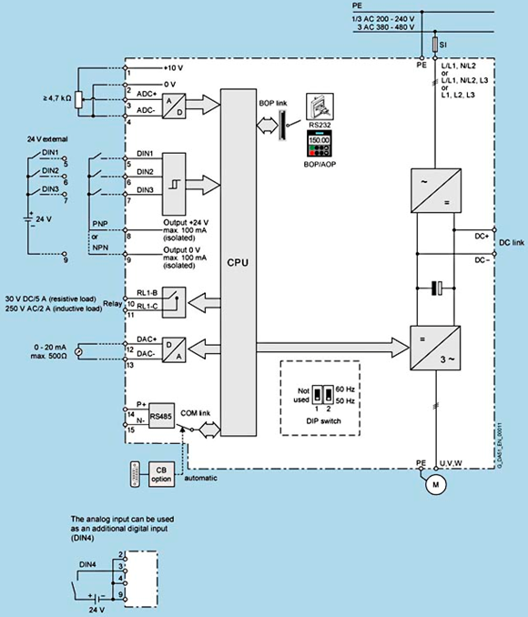
- 1、2端子为DC10V电源输出,1为+10V、2为0V,如果使用该电源给电位器供电,电位器阻值必须大于4700欧姆
- 3、4端子为模拟量输入接口,3正、4负,只能用于连接电压信号(例如0~10V),如果要连接电流信号(0~20mA或4~20mA)必须在3、4端子上并联小于等于500欧姆电阻
- 5、6、7端子为变频器数字量输入
- 8、9端子为DC24V电源输出,8为+24V、9为0V,该电源最大输出能力为100mA
- 10、11端子为变频器继电器输出常开触点,该触点支持DC30V/5A或AC250V/2A负载
- 12、13端子为变频器模拟量输出,12正、13负,只能输出电流信号(例如0~20mA或4~20mA)
- 14、15端子为变频器自带的RS485接口支持USS协议,14为P+、15为N-
MM420/430/440数字量输入输出设置
MM420/430/440模拟量输入输出设置