以下信息适用范围:MM430/MM440

如何将电位器连接至MM430/MM440模拟量输入调节变频器频率


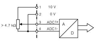
使用模拟量输入1做频率给定

如图所示,12端子为电位器供电,电位器滑动端连接到3号端子,将2号端子与4号端子短接。

注意:电位器阻值必须大于等于4.7千欧,否则可能损坏10V电源。

电位器选择

左面的DIPDIP1)开关拨到OFF的位置(开关拨到下面)

P0756.in000 = 0 ;模拟量输入类型,电压类型
P0757.in000 = 0 ;标定X1 = 0V
P0758.in000 = 0.0 ;标定Y1 = 0%
P0759.in000 = 10 ;标定X2 = 10V
P0760.in000 = 100.0 ;标定Y2 = 100%
P0761.in000 = 0 ,模拟量输入死区

P1000 = 2 ,使用模拟量输入1调节变频器输出频率


使用模拟量输入2做频率给定

如图所示,12端子为电位器供电,电位器滑动端连接到10号端子,将2号端子与11号端子短接。

右面的DIPDIP2)开关拨到OFF的位置(开关拨到下面)

P0756.in001 = 0 ;模拟量输入类型,电压类型
P0757.in001 = 0
;标定X1 = 0V
P0758.in001 = 0.0
;标定Y1 = 0%
P0759.in001 = 10
;标定X2 = 10V
P0760.in001 = 100.0
;标定Y2 = 100%
P0761.in001 = 0
,模拟量输入死区

P1000 = 7 ,使用模拟量输入2调节变频器输出频率