以下信息适用范围:MM430/MM440

如何将0~20mA4~20mA电流信号连接至MM430/440模拟量输入调节变频器频率


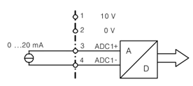
使用模拟量输入1做频率给定

MM430/MM440模拟量输入可直接连接电流信号,如图所示,直接将模拟量电流信号的正、负连接至34端子。

左面的DIPDIP1)开关拨到ON的位置(开关拨到上面)

P0756.in000 = 2 ;模拟量输入类型,电流类型
P0757.in000 = 0
;标定X1 = 0mA
P0758.in000 = 0.0
;标定Y1 = 0%
P0759.in000 = 20
;标定X2 = 20mA
P0760.in000 = 100.0
;标定Y2 = 100%
P0761.in000 = 0
;模拟量输入死区

P0756.in000 = 2 ;模拟量输入类型,电流类型
P0757.in000 = 4
;标定X1 = 4mA
P0758.in000 = 0.0
;标定Y1 = 0%
P0759.in000 = 20
;标定X2 = 20mA
P0760.in000 = 100.0
;标定Y2 = 100%
P0761.in000 = 4
;模拟量输入死区

P1000 = 2 ;使用模拟量输入1调节变频器输出频率


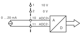
使用模拟量输入2做频率给定

直接将模拟量电流信号的正、负连接至1011端子。

左面的DIPDIP1)开关拨到ON的位置(开关拨到上面)

P0756.in000 = 2 ;模拟量输入类型,电流类型
P0757.in000 = 0
;标定X1 = 0mA
P0758.in000 = 0.0
;标定Y1 = 0%
P0759.in000 = 20
;标定X2 = 20mA
P0760.in000 = 100.0
;标定Y2 = 100%
P0761.in000 = 0
;模拟量输入死区

P0756.in000 = 2 ;模拟量输入类型,电流类型
P0757.in000 = 4
;标定X1 = 4mA
P0758.in000 = 0.0
;标定Y1 = 0%
P0759.in000 = 20
;标定X2 = 20mA
P0760.in000 = 100.0
;标定Y2 = 100%
P0761.in000 = 4
;模拟量输入死区

P1000 = 7 ;使用模拟量输入2调节变频器输出频率