MM420模拟量
MM420配备1路模拟量输入,可以直接连接电位器或0~10V模拟量电压信号,如果连接0~20mA或4~20mA模拟量电流信号需要在模拟量输入端口并联500欧姆电阻。
MM420
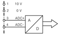
模拟量输入端子说明
- 1、2号端子:内部10V直流电源输出正极和负极(可为电位器供电);
- 3、4号端子:模拟量输入信号,3-正、4-负。

模拟量输入相关参数
如何进行模拟量标定
实例1:如何将电位器连接至MM420模拟量输入调节变频器频率
实例2:如何将0~10V电压信号连接至MM420模拟量输入调节变频器频率
实例3:如何将0~20mA或4~20mA电流信号连接至MM420模拟量输入调节变频器频率
当模拟量出现问题时如何进行诊断