以下信息适用范围:SINAMICS V20


如何将0~20mA或4~20mA模拟量电流信号连接至V20模拟量输入(以模拟量输入1为例)调节变频器频率


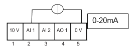
接线

如图所示,直接将模拟量电流信号的正、负连接至2、5端子。


0~20mA模拟量输入AI1参数设置

P0756[0] = 2 ;模拟量输入类型,电流类型
P0757[0] = 0 ;标定X1值 = 0mA
P0758[0] = 0.0 ;标定Y1值 = 0%
P0759[0] = 20 ;标定X2值 = 20mA
P0760[0] = 100.0 ;标定Y2值 = 100%
P0761[0] = 0 ,模拟量输入死区


4~20mA模拟量输入AI1参数设置

P0756[0] = 2 ;模拟量输入类型,电流类型
P0757[0] = 4 ;标定X1值 = 4mA
P0758[0] = 0.0 ;标定Y1值 = 0%
P0759[0] = 20 ;标定X2值 = 20mA
P0760[0] = 100.0 ;标定Y2值 = 100%
P0761[0] = 4 ;模拟量输入死区


控制参数设置

P1000 = 2 ,使用模拟量输入1调节变频器输出频率


详细信息请参考

V20操作说明》
https://support.industry.siemens.com/cs/cn/zh/view/109479321