以下信息适用范围:MM420

MM420模拟量


MM420配备1路模拟量输入,可以直接连接电位器或0~10V模拟量电压信号,如果连接0~20mA4~20mA模拟量电流信号需要在模拟量输入端口并联500欧姆电阻。
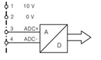
MM420 模拟量输入端子说明
模拟量输入相关参数

如何进行模拟量标定

实例1:如何将电位器连接至MM420模拟量输入调节变频器频率

实例2:如何将0~10V电压信号连接至MM420模拟量输入调节变频器频率

实例3:如何将0~20mA4~20mA电流信号连接至MM420模拟量输入调节变频器频率

当模拟量出现问题时如何进行诊断