- {{item.name}}
串口通信概述
- 0
- 1235
S7-1200 G2 的串口通信可通过位于中央机架的 CM1241 或 CB1241 实现,也可以通过 PROFINET 分布式 I/O 机架的各类串口设备(如 ET 200SP CM PTP 模块)实现。这两种串口通信方式如图 1 所示。

图1. S7-1200 G2 串口通信概览
①中央机架: S7-1200 G2 CPU 中央机架的串口通信模块或通信板。
② PROFINET: PROFINET 设备 ET200 SP/ET200 MP 中的串口通信模块。
通信模块和通信板类型
S7-1200 G2 有串口通信模块 CM1241 RS232/422/485 和通信板 CB1241 RS485。
S7-1200 G2 最多可连接 3 个 CM1241 通信模块。CM1241 需要安装在紧挨着 CPU 或其他 CM 模块的右侧位置。
CPU1212C 只能连接 1 个通信板 CB1241; CPU1214C 可以连接 2 个通信板 CB1241;CB1241 安装在 CPU 的正面插槽中。
当 S7-1200 G2 同时使用串口通信模块 CM1241 和通信板 CB1241 时:
- CPU1212C 总共可提供 4 个串行通信接口;
- CPU1214C 总共可提供 5 个串行通信接口。
S7-1200 G2 串口通信模块和通信板有以下特点:
- 端口与内部电路隔离;
- 支持点对点协议;
- 通过通信处理器指令编程;
- 通过模块上的 LED 指示灯显示诊断、发送和接收活动;
- 均由 CPU 背板总线供电,不必连接外部电源。
S7-1200 G2 串口通信模块和通信板支持相同的波特率、校验方式和接收缓冲区。但通信模块和通信板类型不同,支持的流控方式、通信距离等也存在差异。S7-1200 G2 串口通信模块和通信板技术规范参考表1。
表1 S7-1200 G2 串口通信模块和通信板参数总览
| 类型 | CM1241 RS232/422/485 | CB1241 RS485 |
| 订货号 | 6ES7241-1EA50-0XB0 | 6ES7241-1CA50-0XB0 |
| 通信口类型 | RS232/422/485 | RS485 |
| 流量控制 | RS232 模式:支持硬件流控、软件流控 RS422 模式:支持软件流控 RS485 模式:不支持流控 | 不支持 |
| 通信距离(屏蔽电缆) | RS232:最长 10 m;RS422/485:最长 1000 m | 最长 1000 m |
| 波特率(位/秒) | 300、600、1.2k、2.4k、4.8k、9.6k、19.2k、38.4k、57.6k、76.8k、115.2k、250k① | |
| 校验方式 | 无校验、偶校验、奇校验、Mark 校验(将奇偶校验位置为 1 ) 、Space 校验(将奇偶校验位置为 0 ) | |
| 接收缓冲区 | 1kB | |
①对于 CM1241 模块,仅在 RS422/485 模式下支持 250k
通信模块和通信板支持的协议
S7-1200 G2 串口通信模块和通信板支持的通信协议可参考表2。
表2 S7-1200 G2 串口通信模块和通信板支持的协议
| 类型 | CM1241 RS232/422/485 | CB1241 RS485 |
| 自由口(ASCII) | √ | √ |
| 3964(R) | √① | × |
| Modbus RTU | √ | √ |
| USS | √② | √ |
√:支持 ×:不支持
①仅在 RS232/422 模式下支持
②仅在 RS485 模式下支持
串口通信模块和通信板指示灯
S7-1200 G2 串口通信模块 CM1241 和通信板 CB1241 都有三个 LED 指示灯:DIAG,Tx(D) 和 Rx(D),指示灯功能和说明参考表3。
表3 S7-1200 G2 串口通信模块和通信板指示灯
| 指示灯 | 功能 | 说明 |
| DIAG | 诊断显示 | 以红色和绿色指示模块的不同状态。 • CPU 未识别到通信模块,DIAG 一直红色闪烁; • CPU 上电后检查通信模块 ,DIAG 绿色闪烁。 表示 CPU 寻址到通信模块,但尚未为其提供组态; • 将组态下载到 CPU 后,如果没有检测到错误,DIAG 绿色常亮;如果检测到错误,DIAG 红色闪烁。 |
| Tx(D) | 发送显示 | 从通信端口向外发送数据时,Tx(D) 将点亮。 |
| Rx(D) | 接收显示 | 通信端口接收数据时,Rx(D) 将点亮。 |
通信模块和通信板特征及接线
1) 通信模块 CM1241 RS232/422/485
CM1241 RS232/422/485 支持 RS232、RS422和RS485 三种模式,每个模块只能同时使用一种模式。
CM1241 RS232/422/485 串口通信模块提供一个接线连接器 X30 用于 RS232 接口,各引脚分布及功能描述参考表4。
表4 RS232 连接器各引脚分布及功能描述
| X30 接线端子 | RS232 信号 | 引脚编号 | RS232 信号 | |
| DSR 数据设备就绪 | 1 | 2 | DTR 数据终端就绪 | |
| RxD 接收数据 | 3 | 4 | TxD 发送数据 | |
| CTS 允许发送 | 5 | 6 | RTS 请求发送 | |
| DCD 数据载波检测 | 7 | 8 | M 逻辑地或通信地 | |
| RI 响铃指示器 | 9 | 10 | ||
根据 RS232 各引脚的功能定义,RS232 与通信伙伴之间进行点对点通信时必须连接两条数据线 RxD 和 TxD,分别用于接收数据和发送数据,并需要连接逻辑地线 M。此外,用户可根据实际应用需求对其余六条控制线 RI、DCD、DTR、DSR、RTS、CTS 进行选择连接。RS232 接口只能用于点对点通信,以通信伙伴方也使用 CM1241 RS232 接口为例,CM1241 RS232 接口与通信伙伴 RS232 接口的连接方法如图2所示。

图2. CM1241 RS232接口与通信伙伴 RS232 接口的连接方法
CM1241 RS232/422/485 串口通信模块提供一个接线连接器 X31 用于 RS422/485 接口,各引脚分布及功能描述参考表5。
表5 RS422/485 连接器各引脚分布及功能描述
| X31接线端子 | RS485 信号 | 引脚编号 | RS422 信号 | |
| B 数据 (+) 信号 B (RxD/TxD+) | 1 | 2 | Rb 接收数据 (+) 信号 B (RxD+) | |
| A 数据 (-) 信号 A (RxD/TxD-) | 3 | 4 | Ra 接收数据 (-) 信号 A (RxD-) | |
| M 逻辑或通信地 | 5 | 6 | M 逻辑或通信地 | |
| 内部端接电阻① | 7 | 8 | Tb 发送数据 (+) 信号 B (TxD+) | |
| 内部端接电阻① | 9 | 10 | Ta 发送数据 (-) 信号A (TxD-) | |
①通过将引脚 7 连接至引脚 9 可实现 300Ω 端接电阻(建议在电缆长度大于 50 m 时使用)。
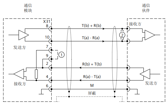
CM1241 RS422 接口连接如图 3 所示。

① 跳线(添加内部终端电阻)
② 终端电阻
图3. CM1241 RS422 接口连接
CM1241 RS485 接口连接如图 4 所示。

① 跳线(添加内部终端电阻)
② 终端电阻
图4. CM1241 RS485 接口连接
2) 通信板 CB1241 RS485
通信板 CB1241 RS485 提供一个接线连接器,各引脚分布及功能描述参考表6。
表6 CB 1241 RS485 连接器引脚分布及功能描述
| X29 接线端子 | RS485 信号 | 引脚编号 | ||
| B 数据 (+) 信号 B (RxD/TxD+) | 1 | 2 | ||
| A 数据 (-) 信号 A (RxD/TxD-) | 3 | 4 | ||
| M 逻辑或通信地 | 5 | 6 | ||
| 内部端接电阻① | 7 | 8 | ||
| 内部端接电阻① | 9 | 10 | ||
①通过将引脚 7 连接至引脚 9 可实现 300Ω 端接电阻(建议在电缆长度大于 50 m 时使用)。
CB1241 RS485 接口连接如图 5 所示。

① 跳线(添加内部终端电阻)
② 终端电阻
图5. CB1241 RS485 接口连接
常见问题
1. 通信模块 CM1241 和通信板 CB1241 对 CPU 的固件版本是否有要求?
答:有,要求 CPU 的固件版本 V1.0.1 或更高版本。
- 评论
-
分享
扫码分享
- 收藏 收藏
- 点赞 点赞
- 纠错 纠错



西门子官方商城


{{item.nickName}}