- {{item.name}}
G120X "STO"安全功能介绍
- 0
- 32
1.安全转矩关断STO
STO :Safe Torque Off,符合IEC/EN 61800-5-2中的定义,[变频器]不向任何能产生转矩的电机(或能产生力的直线电机)供电。

图1:电机在静止 (A) 和旋转 (B) 时的 STO 功能
(A):如果选择 STO 功能时电机已静止(零转速),则 STO 会阻止电机启动。
(B):如果选择 STO 功能后电机仍在旋转 (B),则电机会惯性停车直至静止。
注意:STO 无法使带有大惯量负载的电机快速停止。
2.G120X变频器使用STO功能的接线步骤
“Safe Torque Off” (STO) 安全功能可通过变频器的故障安全数字量输入实现。
不同尺寸的变频器的操作步骤有所不同
变频器外形尺寸 FSA ... FSC 的操作步骤

遵循外壳上注明的开关设置说明。开关上的说明不适用。
两个开关 = ON:STO 已使能
两个开关 = OFF:STO 已禁用
两个开关状态不同:不允许
1. 将用于选择 STO 功能的电缆连接到端子 STO_A 和 STO_B 上。
2. 将用于 STO 反馈的电缆连接到端子模块 X134 的 2 个数字量输出上。

3. 将电缆屏蔽层大面积敷设到变频器的屏蔽板上。
STO 安全功能的所有电缆已连接。
变频器外形尺寸 FSD ... FSG 的操作步骤

两个开关 = ON:STO 已使能
两个开关 = OFF:STO 已禁用
两个开关状态不同:不允许
- 移除控制单元。

2. 将用于选择 STO 功能的电缆连接到端子 STO_A 和 STO_B 上。
3. 插入控制单元。

4. 将用于 STO 反馈的电缆连接到端子模块 X134 的 2 个数字量输出上。

5. 将电缆屏蔽层大面积敷设到控制单元屏蔽板上。
STO 安全功能的所有电缆已连接。
变频器外形尺寸 FSH ... FSJ 的操作步骤

两个开关 = ON:STO 已使能
两个开关 = OFF:STO 已禁用
两个开关状态不同:不允许

标签上注明的开关设置适用于使能 STO。开关上的说明不适用。
1. 将用于选择 STO 功能的电缆连接到端子 X41:STO_A 和 X41:STO_B 上。
2. 将用于 STO 反馈的电缆连接到端子 X41:FB_A 和 X41:FB_B 上。
3. 将电缆屏蔽层大面积敷设到屏蔽板上。
STO 安全功能的所有电缆已连接。
3.STO功能的应用示例
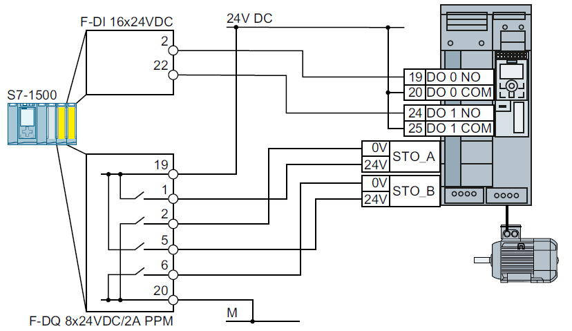
如果选择安全功能STO,需要一个上级控制器。以SINAMIC I/O模块为例

图2:FSA … FSG 上控制柜内部的 SIMATIC S7-1500 接线方式

T1 ≥ 30 ms 当反馈出现偏差时,SIMATIC 须选择功能 STO,并报告故障。
T2 ≥ 20 ms
图3:FSA … FSG 上对 STO 反馈的动态监控

图4:FSH 和 FSJ 上控制柜内部的 SIMATIC S7-1500 接线方式
对于变频器 FSH 和 FSJ 而言,在选择 STO 时对 STO 反馈的静态监控已经足够。
- 评论
-
分享
扫码分享
- 收藏 收藏
- 点赞 点赞
- 纠错 纠错



西门子官方商城


{{item.nickName}}