签到有奖
消息提醒
运维工程师专区
官方商城
欢迎您访问支持中心!
丰富的视频,全方位的文档,大量的网友交流精华……
为了更好的完善这些内容,我们诚邀您在浏览结束后,花20秒左右的时间,完成一个用户在线调查!
感谢您的支持!
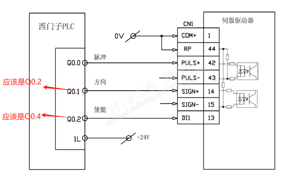
1,90°位相差2相脉冲(A相+B相),
2,正方向脉冲列+负方向脉冲列(CW+CCW),
3,脉冲列+符号(PULS+SIGN)。
你应该是选择了第2个模式了,所以只有一个方向在旋转,准确的来说是用第3个模式,你可以多试下几个模式就知道了,放心去设置,多尝试。