签到有奖
消息提醒
自动化标准机型应用中心
官方商城
欢迎您访问支持中心!
丰富的视频,全方位的文档,大量的网友交流精华……
为了更好的完善这些内容,我们诚邀您在浏览结束后,花20秒左右的时间,完成一个用户在线调查!
感谢您的支持!
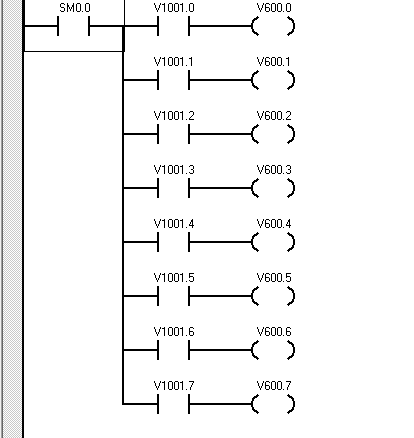
西门子mov_?是需要数据类型一致的。
VB/VW数据本身就是在V区了,不需要再进行其它处理。
我是看到图2的程序,才说不需要将程序单个的写,可以这样:
LD SM0.0
MOVB IB0, VB1001