签到有奖
消息提醒
运维工程师专区
官方商城
欢迎您访问支持中心!
丰富的视频,全方位的文档,大量的网友交流精华……
为了更好的完善这些内容,我们诚邀您在浏览结束后,花20秒左右的时间,完成一个用户在线调查!
感谢您的支持!
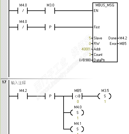
第二个站连接不上会出现6,没上电时可以先屏蔽2#站的程序