签到有奖
消息提醒
自动化标准机型应用中心
官方商城
欢迎您访问支持中心!
丰富的视频,全方位的文档,大量的网友交流精华……
为了更好的完善这些内容,我们诚邀您在浏览结束后,花20秒左右的时间,完成一个用户在线调查!
感谢您的支持!
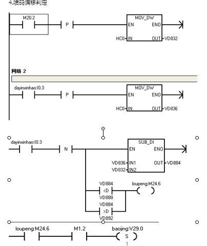
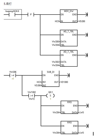
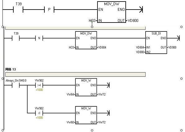
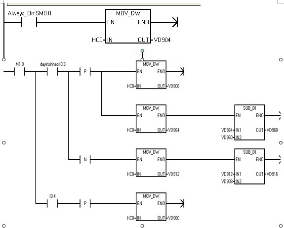
只能是在线监控程序,看程序如何运行,这样对程序会理解些。