技术论坛

 S7 200的100毫秒分辨率定时器试验

返回主题列表
作者 主题
winter938
至圣

经验值: 11165
发帖数: 1550
精华帖: 33
楼主    2011-04-15 11:28:12
主题:S7 200的100毫秒分辨率定时器试验 精华帖 
以下图片中的程序测试100毫秒分辨率定时器T37的运行,时序图表明在有意把I0.0接通的第一个扫描周期用循环指令把扫描周期拉长到200毫秒后它仍能准确计时,这个和OMRON CPM1A是完全不同的.



测试之二:T37,T38动作的同步性测试



测试之三:程序修改CT值对状态S的影响
[img/club/bbs/upload/2011/20110415/89502236AAAA.jpg[/img]









测试之四:定时指令非每个扫描周期都执行时的运行机制



测试之五:定时指令一个扫描周期中多次执行的运行机制



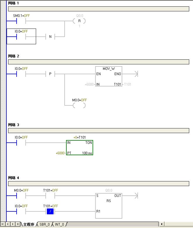
测试之六:对定时器送0和R复位的区别


测试之七:PT值修改是如何生效的

工控爱好者
您收到0封站内信:
×
×
信息提示
很抱歉!您所访问的页面不存在,或网址发生了变化,请稍后再试。