技术论坛

 回复:LOGO!相对于传统控制方式的优势

返回主题列表
作者 主题
高山孤影
至圣

经验值:38593
发帖数:3519
精华帖:108
楼主    2018-01-05 08:49:24
主题:LOGO!相对于传统控制方式的优势 精华帖  精编帖 

前些时候,为节省人力,有个客户有一条简易生产线需要改造为自动化的,而且对成本有很严格的控制。

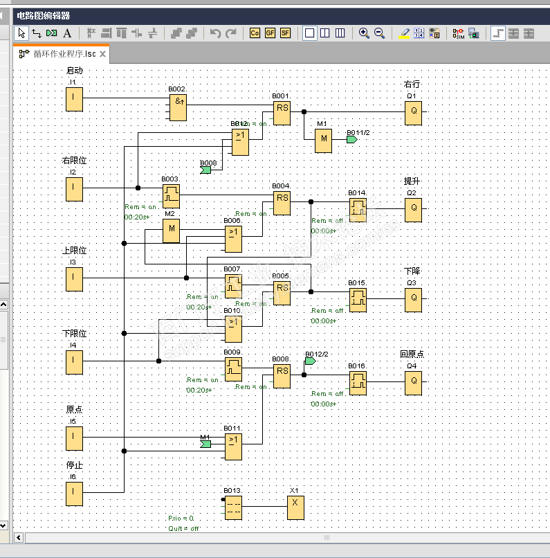
具体的流程是这样的:按下启动按钮,螺杆带动吊具右行,碰到右限位开关,开始向上提升吊具,碰到上限位开关,吊具下行,再次碰到下限位开关,吊具左行回原点。这样,一个流程结束,再次按下启动按钮,可以进行下一个流程。

到现场看了一下,发现需要改造的地方很多,从机械到电气。初始的方案是用LOGO!做,机械改造方案提给他们,安排就近的机加工厂加工。1个月多月的时间,现场的机械部分才做好,检查没有问题之后,客户却突然拿出了他们电气部门的一份手绘图纸。

 


我大体看了一下,图纸做的很不标准,而且发现在执行完第二步吊具上升,第三步就没法完成了,因为存在着时间差,KM3是不会吸合的,要非得用这个方案,必须加时间继电器,那电路就太复杂了,而且操作麻烦,每个点的时间必须都要设置。客户不信,试验了一下,失败了,不得已才改成用LOGO!来控制。

于是设计图纸,做程序,前后用了一天半时间,拿到客户那里试机,分分钟搞定,客户一直赞叹:还是这东西先进啊。

呵呵,现在用LOGO!用得都懒了,不喜欢再用硬件电路搭自动控制程序了。

以下是LOGO!的电路原理图及CAD图纸:

 

原理图.zip

以下是程序截图及源程序:

循环作业程序.rar

这次改造具有以下优点:

1、  原理简洁,维护方便;

2、  成本较低,在用户的接受范围内;

3、  通过LOGO!本体上的屏幕,可直观地显示工作状态;

4、  可通过修改程序,来修改工作的状态,不必改动线路,尤其适合试验性质的场合;

5、该程序还可加入时间控制功能块,扩展为电镀循环自动控制程序。

通过这个小例子,足以说明LOGO!在小规模自动化控制中的优越性:性价比高、使用灵活、可扩展性强。


http://blog.163.com/xiuzhang_2000/
conquer3
奇侠

经验值:5070
发帖数:444
精华帖:3
1楼    2018-01-05 10:37:35
精编帖  主题:回复:LOGO!相对于传统控制方式的优势

学习了,我现在也面临同样的问题,厂里旧机器改造,还想用继电器回路控制,看过高侠的帖子,我决定也用个LOGO!省得出问题了,都是电气的错。

xiaode
奇侠

经验值:8420
发帖数:1342
精华帖:2
2楼    2018-01-05 10:45:42
精编帖  主题:回复:LOGO!相对于传统控制方式的优势

 我也遇到过这样的事情,一个单体的设备,需要3个计时器,和5个中间继电器,还没有安全的防护, 领导的意思时,还是采用继电器控制,然后我提议说买这些个硬件的钱和买一个控制器的钱都多,而且接线也麻烦,不如直接用控制器。

every day is new day !
高山孤影
至圣

经验值:38593
发帖数:3519
精华帖:108
3楼    2018-01-05 17:55:55
精编帖  主题:回复:LOGO!相对于传统控制方式的优势

对对,用个LOGO!外围接线简单而且有条理,减少了维护的工作量,而且成本也很低,LOGO!230RCE的价格便宜,要是用没有显示屏的LOGO!230RCE0,就更便宜了。

http://blog.163.com/xiuzhang_2000/
高山孤影
至圣

经验值:38593
发帖数:3519
精华帖:108
4楼    2018-01-05 17:59:37
精编帖  主题:回复:LOGO!相对于传统控制方式的优势

要是用电机控制的话,可以用电机控制专用的断路器,用热继电器也可以,将输出点的常闭接入LOGO!的输入,LOGO!程序先取反即可。时间继电器的话,设定环节很多,出问题的几率也多,不如用LOGO!做简洁,好用。

http://blog.163.com/xiuzhang_2000/
华山松柏
奇侠

经验值:5624
发帖数:539
精华帖:3
5楼    2018-01-07 09:32:00
精编帖  主题:回复:LOGO!相对于传统控制方式的优势

LOGO在工控领域里的应用还是很多的,在改造项目中可以应用。

学无止境
Zaxife
至圣

经验值:12614
发帖数:2450
精华帖:31
7楼    2018-01-07 14:30:18
精编帖  主题:回复:LOGO!相对于传统控制方式的优势
LOGO这控制器,我觉得最大的优势是价格可以且自带显示屏.自带显示屏直接可以查看修改参数,可以修改程序,对于小设备比较方便.
慧星
版主

经验值:18735
发帖数:5615
精华帖:36
8楼    2018-01-07 19:48:38
精编帖  主题:回复:LOGO!相对于传统控制方式的优势

 今天刚改了一个二次线路,用LOGO!代替了多个中继与时间继电器,即节省空间又节省接线,而且还有足够的改造升级与扩容潜力。

sgpg
kayome
奇侠

经验值:7136
发帖数:1334
精华帖:5
10楼    2018-01-08 10:39:53
精编帖  主题:回复:LOGO!相对于传统控制方式的优势

感谢分享,

logo干这个体量的活儿还是很合适的

MSN027
奇侠

经验值:5264
发帖数:121
精华帖:2
11楼    2018-01-08 11:28:30
精编帖  主题:回复:LOGO!相对于传统控制方式的优势

 以前曾经工作过的工厂我都指定用LOGO!的来设计,以前的老机器都用这个来改善!相比较而言:1)比日系的和国产的要耐操的多(到现在为止,基本上没坏过,除了接线错误烧掉的),价格也很有优势;2)线路标准化,程序维护简单容易(或者在界面上加个选项功能),就可以实现不同的功能;3)简单的培训后,电工都能掌握,简单故障大家都能处理,每个人都有兴趣学习!

ABBCCC
至圣

经验值:24401
发帖数:4717
精华帖:6
13楼    2018-01-09 09:34:29
精编帖  主题:回复:LOGO!相对于传统控制方式的优势
以前老款通过屏幕钮输程序还是略见功底的。短小精悍。
谨慎低调
高山孤影
至圣

经验值:38593
发帖数:3519
精华帖:108
14楼    2018-01-09 13:03:02
精编帖  主题:回复:LOGO!相对于传统控制方式的优势

嗯嗯,我一直在用,更新了好几代了,越来越好用。

http://blog.163.com/xiuzhang_2000/
高山孤影
至圣

经验值:38593
发帖数:3519
精华帖:108
15楼    2018-01-10 07:42:58
精编帖  主题:回复:LOGO!相对于传统控制方式的优势

嗯嗯,我学logo!之前见识过人家拿着打印的几页程序往logo!里输,学会了之后,自己也输过,后来感觉用电脑省事,就没再用过手工输入。

http://blog.163.com/xiuzhang_2000/
kdrjl
至圣

经验值:146163
发帖数:36659
精华帖:451
18楼    2018-01-14 11:15:12
精编帖  主题:回复:LOGO!相对于传统控制方式的优势

啊?你们居然拿LOGO!做项目?都是开关量的逻辑控制吗?那如果有模拟量呢?分辨率和程序的刷新时隙都很一般的指标呀?


这个LOGO!我挺喜欢它的应用形式的。但就是有些技术指标满足不了我这里的需求。想用也用不了。

我是你的朋友
高山孤影
至圣

经验值:38593
发帖数:3519
精华帖:108
19楼    2018-01-15 08:44:29
精编帖  主题:回复:LOGO!相对于传统控制方式的优势

K版,我用的LOGO!都是用在工业控制方面的,大部分都是继电器的顺序控制或时间控制方面,但也有用到模拟量的,或许它相对于200、300等PLC来说精度要低,但在很多场合还是可以用的。

以下是我的两个应用,都是用了模拟量:

1、直流电阻放电。这是我们做的飞轮蓄能及放能试验项目,主要模拟飞轮的充电和放电性能的,放电部分是通过IGBT斩波的控制方式,向大功率的电阻器放电,主控部分就用了一台LOGO!,放电的给定用的它的模拟量输出。


2、这是我做的一套恒压供水的设备,用了LOGO!的模拟量和PID控制,还有一台smart line触摸屏。




但有一点已经经过验证,就是在闭环控制时的快速动态响应上,由于控制精度问题,LOGO!还是难以满足要求的,但其他的PLC好像效果也不理想,需要驱动产品自身的PID才可以满足要求。

http://blog.163.com/xiuzhang_2000/
kdrjl
至圣

经验值:146163
发帖数:36659
精华帖:451
21楼    2018-01-15 14:05:55
精编帖  主题:回复:LOGO!相对于传统控制方式的优势

其实,n年以前我就盯着LOGO!想用,我甚至在中华工控网还抢到一个LOGO!试用,但现在还是没有用上。我还曾经学着用LOGO!的功能图编辑各种工艺控制,然后用电脑自检正确性。特别好玩。直到现在就是找不着用它的机会。唉...。

我是你的朋友
慧星
版主

经验值:18735
发帖数:5615
精华帖:36
22楼    2018-01-15 16:50:04
精编帖  主题:回复:LOGO!相对于传统控制方式的优势

时间逻辑控制是LOGO!的强项,模拟量的精度要求不高也可以采用。高速输在入频率不是很高的时候也能使用。

sgpg
yming
至圣

经验值:138382
发帖数:23141
精华帖:880
24楼    2018-01-15 17:09:33
精编帖  主题:回复:LOGO!相对于传统控制方式的优势

现在的LOGO! 0BA8 新版更是上了一层楼。

恐怕是第一款提供用户WEB界面编程支持 的PLC。它将不再局限于那个小小的(BM/TD)屏幕了。可以像WinCC那样自己做画面(还有动态的)、写中文(任意文字)、控制、修改参数运行参数。

尤其是万条的数据采集记录。

像我已经记录了几个月(次/半小时)的室内外温度、湿度变化。看看数据和体感体验,真是有些心得了。


学而时习之,不亦说乎?温故而知新,不亦乐乎?
yming
至圣

经验值:138382
发帖数:23141
精华帖:880
27楼    2018-01-15 18:36:45
精编帖  主题:回复:LOGO!相对于传统控制方式的优势

我现在正在做对环境温、湿度蒸发量的数据积累。准备用PI来对间隔、时长做自动调整。

北方地区明显是干燥,要保持小环境的温湿度控制,看来还不是一个简单的问题。

这是这两月的数据:




控制好了,绝对舒服。现在就喜欢在大阳台上待着。

学而时习之,不亦说乎?温故而知新,不亦乐乎?
kdrjl
至圣

经验值:146163
发帖数:36659
精华帖:451
29楼    2018-01-15 20:19:45
精编帖  主题:回复:LOGO!相对于传统控制方式的优势

那时,正好是LOGO!的销售经理搞活动,所以,我要了一个玩了几天,搞了一个小项目,写了两篇应用体会。就送给我了。在北京开会的时候,我特意让尚鹏教我怎么用,于是,挺喜欢它的编程形式。好像你还在坛子里支持过我呢。嘻嘻。


后来,那个LOGO!我送给我的同事了,他也喜欢玩。不管咋说,这东西再好,如果不用,也就只能看着别人用着过瘾了。呜呜呜


LOGO!的功能块连接编程,就和S120里的DCC基本一致,编完了可以自检正确性。DCC要更复杂一些,可以设置许多的条件。其实,西门子的自动化与驱动许多都是有“血缘关系”的,掌握了一个,可以触类旁通,举一反三的。

我是你的朋友
您收到0封站内信:
×
×
信息提示
很抱歉!您所访问的页面不存在,或网址发生了变化,请稍后再试。