技术论坛

 西门子840Di SL系统液压排障过程

返回主题列表
作者 主题
WWCWWC
至圣

经验值:79723
发帖数:9213
精华帖:158
楼主    2019-10-30 16:39:58
主题:西门子840Di SL系统液压排障过程

西门子840Di SL系统液压排障过程

  前一些天,接到工厂电话说一台西门子840Di系统,液压驱动方式的上主轴,在回程时接近上止位时,经常性出现严重撞击声,下行及加工时没有该现象。

到现场观察,这个撞击声并不是机械方面引起的,确定为液压泵头在回程工作时发出的。

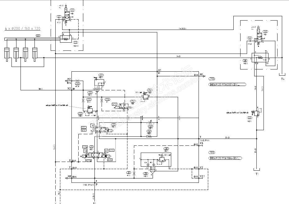
打开液压原理图,图示:上主轴液压方向控制驱动。

速度控制由液压伺服泵实现,图示:

根据液压原理与现场观察分析,很有可能的原因是在液压伺服泵头的伺服比例方面疑点最大。当上升由快速转慢速的这个转换过程,速度值由液压伺服泵控制的,即这个速度的流量是由液压伺服泵头由plc给定数据,液压伺服泵具体执行的,该液压伺服泵去年10月份曾经拿上海力士乐去修理过。正顺着自己的思路在仔细看这个液压伺服泵及液压伺服控制单元,不经意间手触碰到控制单元的外部压力信号反馈传感器时,系统立即报警停止。

  重新将该传感器连接到伺服控制单元传感器的行插拆下来,看各针脚没有异常,图2红圈位置。刚才到液压站时也用手拧过这个行插,可能是接触性问题(行插没有插入到位,造成间隙接触不良的故障,传感器外部电缆未见破损),反复核实插入位置,判断无异常后,开机测试ok了,这样已经连续正常工作了2天没有再次出现前面描述的问题,应该是这个传感器与伺服控制器的接触性问题引起,当信号丢失时,使伺服泵头无法判断正确的工作压力及流量。有时候应该小小的传感器接触性问题,如果没有被及时发现,可能会进入其它判断误区,延误正常的生产安排,发帖的原因也是在此,问题并不一定是高大上的,因为传感器小小的接触性问题也会造成设备异常。


您收到0封站内信:
×
×
信息提示
很抱歉!您所访问的页面不存在,或网址发生了变化,请稍后再试。