技术论坛

 励磁装置F60057故障

返回主题列表
作者 主题
锋言锋语
至圣

经验值:26762
发帖数:3947
精华帖:54
楼主    2022-02-27 15:11:27
主题:励磁装置F60057故障

三期中板精轧上辊励磁F60057故障

2022年2月25日,精轧机上辊励磁装置频繁报F60057故障,刚开始复位以后能正常过钢几十分钟,之后故障越来越频繁,直至开给出励磁时就报F60057故障。

 

F60057 (N, A) 电枢电流检测出错故障现象:

当电流方向和转矩方向相反时,装置会报错。
一旦电流值超出装置 20% 的额定电流,监控功能便响应。

 

   处理经过:

   对这个故障有点不知所云,电流和转矩方向不一致,想不通怎么会有这种情况发生。到现场以后,二话不说,连上装置,采集波形,看看能不能有所发现。


   图1

 

   如图,在报出F60057期间的波形。可见电流不稳定,触发角大幅波动电枢电压大幅波动。

   怀疑是电流检测回路有问题,现场人员一番操作,将上下辊励磁的电源板对调,仍是相同的故障,相同的波形。接着怀疑CU问题(貌似6ra80遇到奇怪故障,CU背的锅真不少),但是现象依旧。

   此时脑子有点乱,一时间失去了方向。抽支烟冷静一下。

   静下心来看上面的波形,由于开机以后励磁是给定常数100%的, 那么无论什么原因导致电流实际值下降并波动,此时应该是触发角饱和到30度的,为什么触发角反复波动呢?难道是电枢装置有问题了?

   有了思路就有了方向,于是采集电流给定值,继续查找。


图2

如图,电枢装置和励磁装置采用的是PtP协议, r52601就是电枢装置给过来的励磁给定。可见,电流实际值波动时,给定值一直是100%。这种情况,电流环控制器应该是输出饱和到30度触发交的。触发角的大幅度波动,显然是一个矛盾。r52125也在同一个时间段大幅度波动,而且出现了0和100的跳动。 这说明方向找对了。 既然r52601没问题,r52125波动,肯定是中间有个环节出了问题。

 


图3

如图,采集r52131和r52132的波形,未见波动。

 

图4

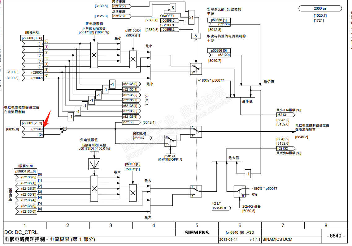
继续前查, r52134波动。


图5

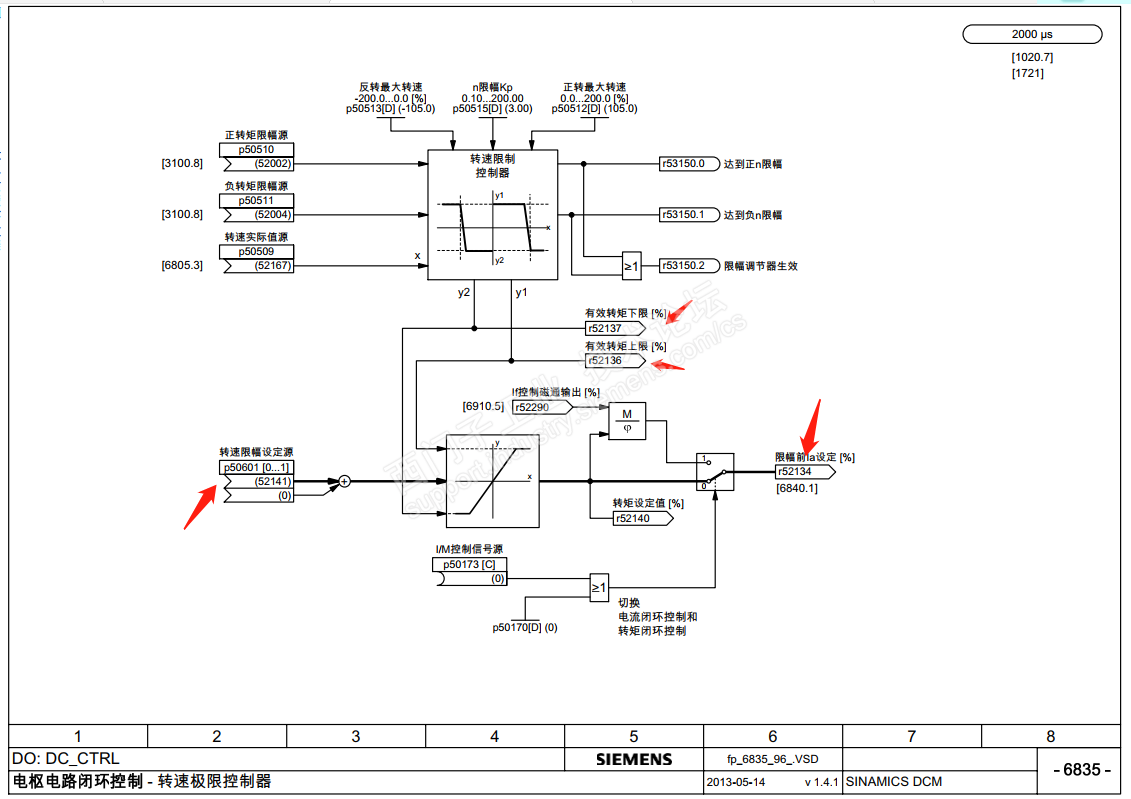
由于P50601[0]连接的就是r52601, 那么,只有一种可能, 就是r52136和r52137出了问题。

 

 

 


图6

果然,电流波动期间,伴随着r52136和r52137的波动。

上面图6和之前的故障波形有个小的区别,就是电枢电压波形(蓝色),提前一段时间久波动了。波动时间和其他的曲线不同步。这里埋一个伏笔。大佬一看就该知道什么情况了。

原因很明显,就是速度-转矩限幅波动,虽然此时还不明白什么原因,引起的电流的波动。和厂家工程师电话沟通了一下,决定吧r52601的电流给定值,加到P52602[2]上。

 


图7

如图,添加到箭头出,避开速度-转矩限幅输出的影响。

然后试车,发现不在报F60057,但是电流大幅度波动。 由于此时r52125已经不波动了,所以直接判断是可控硅缺波头。

通过r52952采集进行电流波形。

图8

虽然感觉这个波形不对劲,但是跟我想想的缺波头图形还是有点差距。

于是采用P50830进行晶闸管测试。由于第一次用这个功能,所以过了会没测试完,担心出什么问题,让现场人员停机。现场人员直接分闸电枢柜进行开关。只听噗的一声,励磁装置内部有火花冒了出来。这里要强调一下,对于晶闸管测试功能一定要吃透了再用。我没用过这玩意,也不知道测试的时候应该检测什么值。

剩下的就简单了,一顿操作猛如虎,更换可控硅。

开机,一切如丝般润滑。

故障是解除了。 但是为什么这个速度-转矩限幅会波动呢?抱着打破砂锅问到底的宗旨,继续分析。图5的P50509连接的速度实际值的源是默认值r52167, 别的都是常数。这个r52167, 一查参数,居然来自EMFr52287。继续采集波形分析。

发现当高速抛钢时,电枢EMF过大触发电流快速衰减,此时励磁装置的电枢电压达到-400V,同时EMF会超过100%。这个区间伴随着速度-转矩限幅的波动。那就说明电流给定值连接到P50601是错误的。因为速度-转矩限幅,默认是受EMF的影响。

但是从正常运行的波形来看,也只是在上述情况是会有速度-转矩限幅的波动,不到100ms。那之间采集的持续波动,怎么解释呢?

搞完这一切已经晚上23:00多了。在回去的路上,开车的时候,突然想到了原因。图1采集到的故障波形,从震荡开始,应该是已经有个可控硅不能正常触发,或者可靠性差了。也就是说, 由于可控硅不能正常触发,加上励磁装置EMF导致的速度-转矩的影响,才到这里图1的故障现象。

第二天,厂家派人过流分析处理故障。经过检查,励磁装置的参数设置有误。一个是上面的给定值连接点位置和要求的不一致,另一个就是电枢预控投入了EMF。技术人员也认可我上面的分析, 就是工作中有个硅突然不能正常触发,叠加EMF的影响,导致了故障现象,进而导致了F60057.

至于F60057,从波形看出,确实故障瞬间出现了负的电流。我分析可能是转矩限幅的影响,触发角大幅度变动引起的。当然, 真是的负电流也不能出现,因为没有逆变桥。

 


不忘初心
您收到0封站内信:
×
×
信息提示
很抱歉!您所访问的页面不存在,或网址发生了变化,请稍后再试。