技术论坛

 6RA7093-4DV62励磁故障的判断与解决

返回主题列表
作者 主题
likevc
侠圣

经验值:2288
发帖数:569
精华帖:9
楼主    2022-09-01 17:13:23
主题:6RA7093-4DV62励磁故障的判断与解决 精华帖 

       前几天,现场人员给我说,P2电机电枢电压只有P1电压的一半不到。我说你看看触摸屏电流曲线跟踪的好不好,现在人员给我发了照片,跟踪很好(我前几天刚处理完跟踪不好的故障)。我接着问励磁正常吗?温度正常吗?噪音正常吗?回答是一切正常。那我就不着急了,我说明天下午去现场看看再说。现场看完确实没有异常,值班人员给我说,万用表测量结果也是P2输出电压低。还说暑假期间P2温度低于P1。

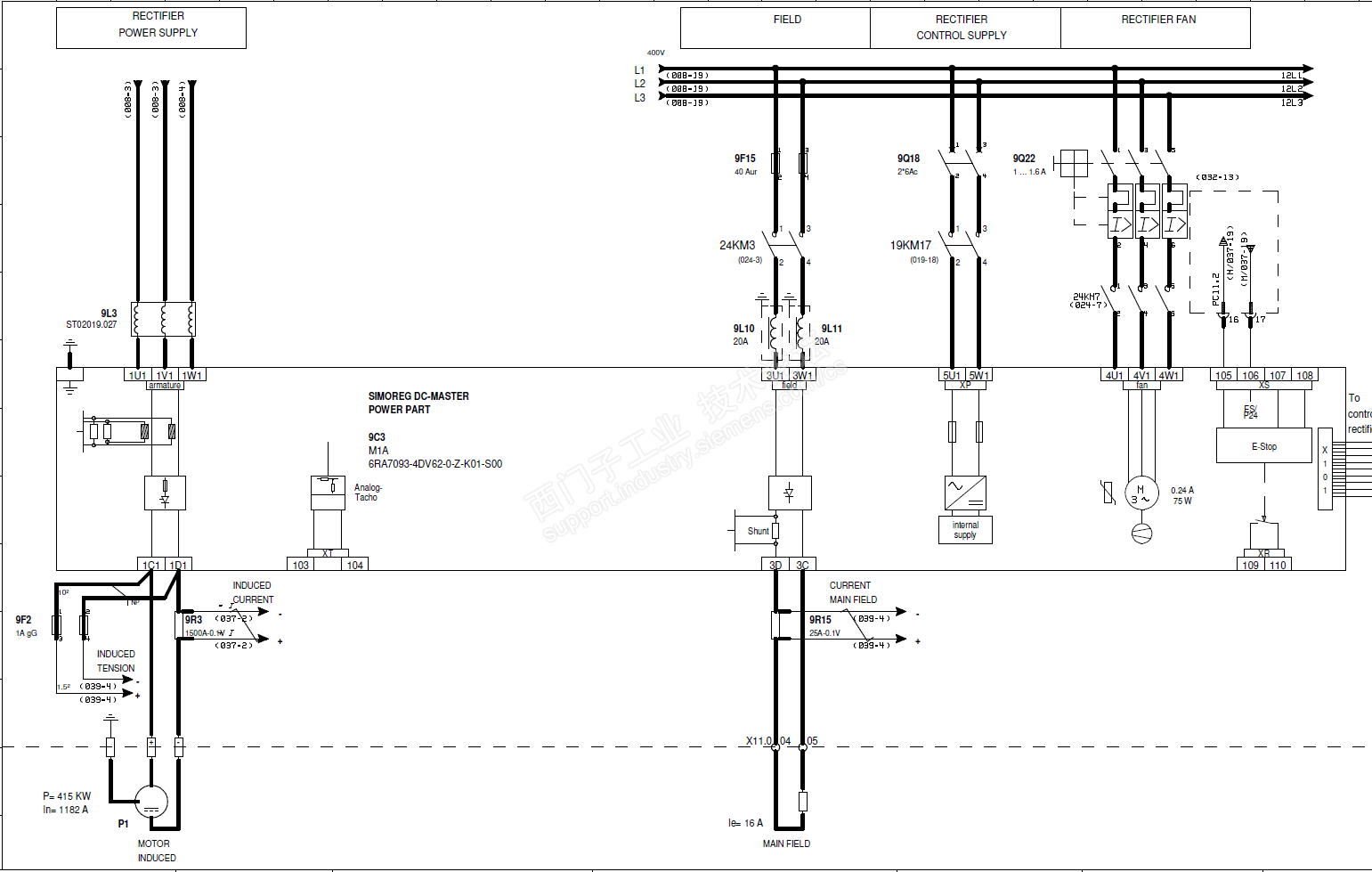
      电枢电压不会平白无故的低,肯定是由原因的。 第二天下午,继续去现场观察。他们给我反应,有时瞬间是正常的。我就站在整流柜前观察OP1S,P2负载小一些。但有个声音我听到瞬间变化了,整流进线电抗器的噪音,有时会有变化,不是我平时听到的那样。我怀疑励磁电路有问题,第三天下午继续去现场,这次带了交直流两用钳形表和电脑。先捡好掐的地方掐,掐励磁电抗器,交流电流2.4A显然不对,在掐直流4.2A也不对。用电压档测量励磁电流测试端口电压17.2mV,经换算,与直接掐的值是相符的。至此大致判断励磁电流就是小了。

      电脑连线,读取参数,r0035 99.99% P102=13A,参数正常。排除别人更改参数。回到办公室马上一边让库管寻找励磁板,一边我翻阅70手册,做准备工作。查阅手册发现D/A转换貌似在CUD1版A7001,励磁电流采样电阻在A7004,就不知道哪个环节导致显示值与实际值不对应了。

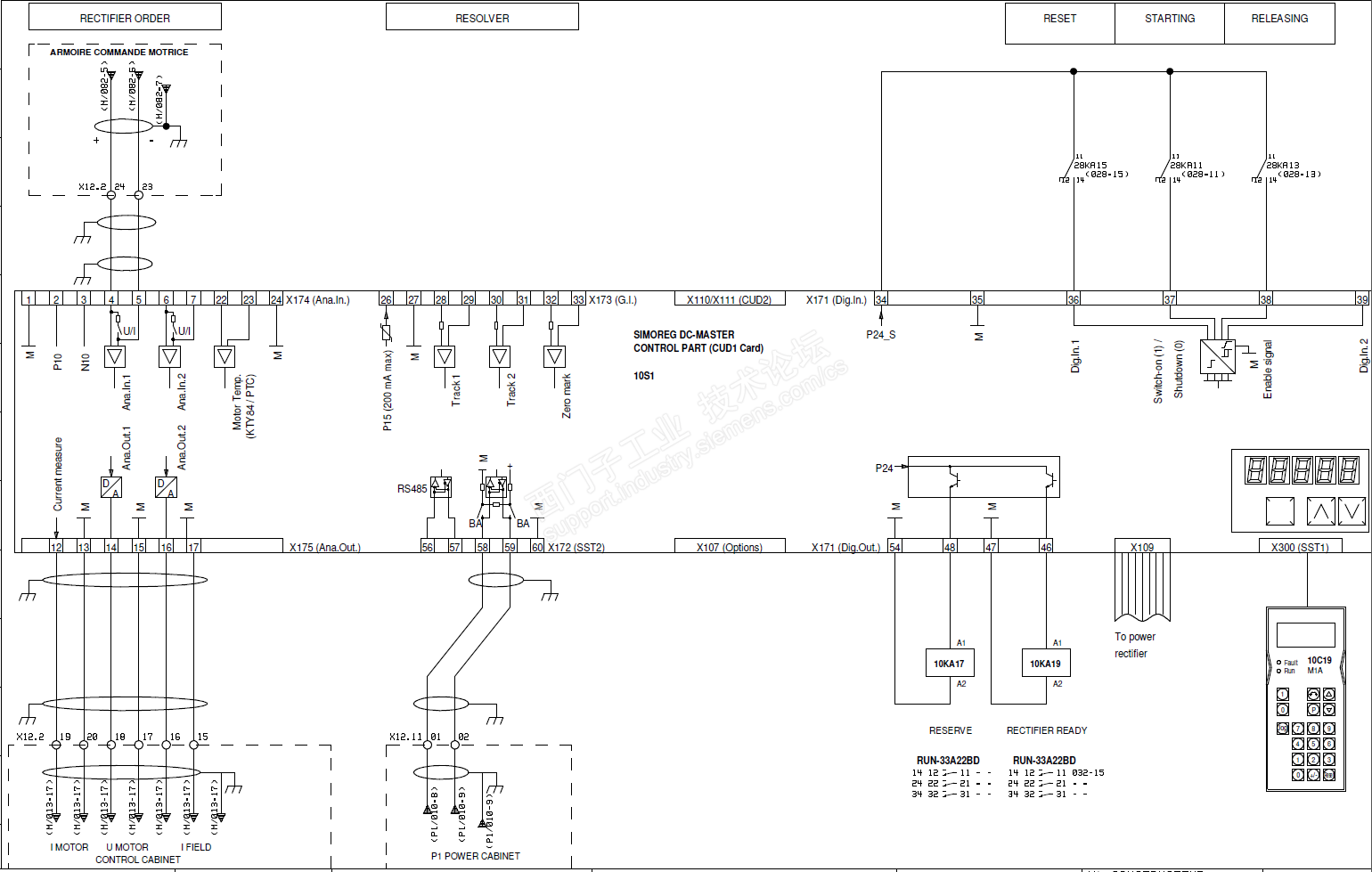
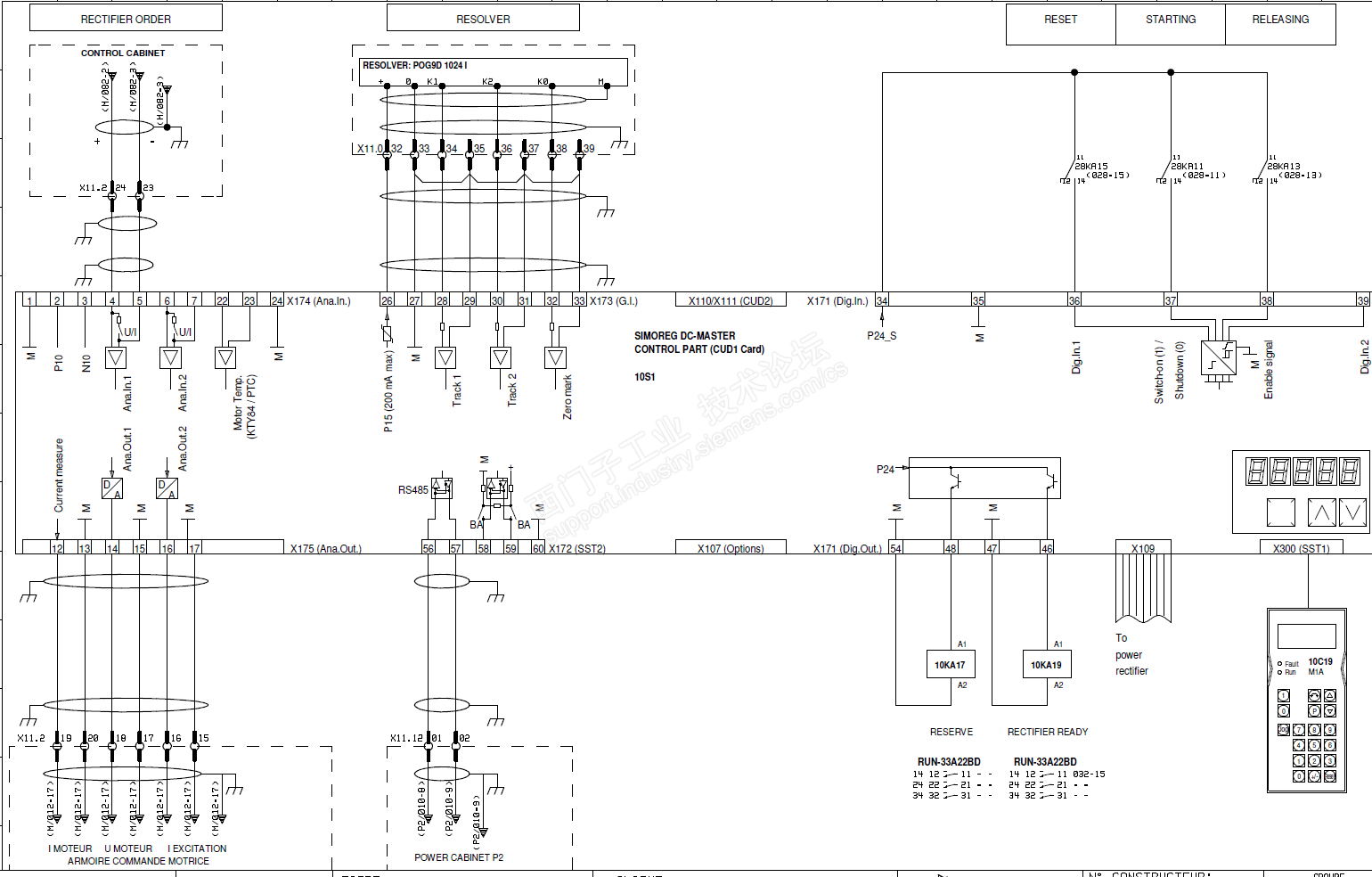
        为了减少现场工作量就发帖询问了,在此对老兵表示感谢。上面是过程,为了让大家好理解,我介绍下系统结构。

     机械结构:两台电机轴向联结,串联;电气结构:主从控制,P1主电机(在前靠近减速机),P2从电机(在轴末端安装编码器)

     

主驱动器,电流输出经端子56、57发送给从电机


从驱动器,通过端子58、59接收来自主驱动的电流给定。

   主、从驱动均通过AO2模拟输出16、17输出励磁电流给表头显示。

  

主回路主从驱动器结构一致,系统通过9R3检测主、从电机电枢回路电流,进入PLC安全模块,如果差值超出设定值,系统停机,报相对过载故障。9R15连接至测试插孔,我就是通过这个测试插孔测量电压的。




  电流曲线

 

电枢电流

励磁电流


电枢电压

 因为早就计划好今天停机,所以今天拆机更换A7004,更完毕,试车正常。毕竟是运行17年的的设备了,也担心整流桥老化,刚好手头也没硅脂,就没拆(有整机备品,可以从新驱动器拆机)。当初初也担心A7001有故障,但看手册和对比实际励磁电流,感觉A7004可能性最大。


   这个故障隐蔽性强,设备可以正常运行,但从电机悄悄的少出了一半力气。看电流曲线很好。

为啥励磁电流小了电枢电压会低一半呢?

      还是教科书书上的那个公式:E=Ce Φ N,Ce是电机制造完就确定的,N(转速)是系统设定的与主电机轴对轴联结,与主电机一样转速。那么从电机Φ (磁通)小了,E自然就小了。

    此贴太长了,看不清上面说了什么,二楼继续分享电流跟随的一个小故障。




您收到0封站内信:
×
×
信息提示
很抱歉!您所访问的页面不存在,或网址发生了变化,请稍后再试。