技术论坛

 【互联】西门子S7-200(226)电源修复记

返回主题列表
作者 主题
WWCWWC
至圣

经验值:79271
发帖数:9118
精华帖:157
楼主    2023-04-26 14:58:09
主题:【互联】西门子S7-200(226)电源修复记 精华帖 

【互联】西门子S7-200(226)电源修复记

昨天,想测试一个s7-200的程序,居然眼花缭乱的把226继电器输出机型的集成直流输出,看做交流电输入端子直接连接到220V AC输入,一插电“啪“一声,知道情况不对了,人有时候真的会犯浑,上午在处 理一起变频器报警(第三方变频器在未运行时,居然也报警过电流,判断应该是主回路电流检测单元故障的可能性大),下午,重新设置变频器多段速控制参数后,故障排除,脑子乱哄哄的回到办公室想测试一个程序,在连接电源时鬼使神差的把220V AC连接到cpu24V DC电源输出端子上,人一犯浑必将酿成打错,从那里跌倒,必将从那里爬起。重新正确连接好电源,打开220V AC电源,万幸的是cpu还能够正常工作,只是我插入西门子MPI适配器,适配器上的几个绿色指示灯没有亮,想想也理解了,自己把220V AC到着“灌过电流”,这个24V DC回路这么能够完好呢?

因为知道是24V输出故障,联系了公司同事,说有三端稳压集成块7824,有了配件就有修复的希望。

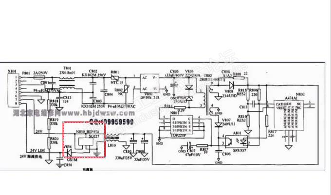
今天忙完手头的工作,下午到同事那边拿来几个24V稳压集成电路,维修s7-200的电源板开始了,首先,找到之前保存的电源板原理图,看了看,该24V DC输出是通过一个三端稳压器件提供的,图示:

  红色框是接线错误,烧掉的器件,器件上已经明显炸了一个孔,图示:

  拆除被击穿的三端稳压器件。

  对三端稳压电路的外围用万用表进行通断测试,2个二极管没有明显的击穿迹象,不作处理,输出滤波电抗器没有明显开路,不作处理,将三端稳压集成块7824焊入对应合适的位置上,考虑到干线电路的长度容易使三端稳压器件震荡,在电源输入与地之间加入一个拆机的47UF/50V的电解电容作为滤波,输出不作处理,图示:

  连接220V AC电源,万用表电压档测量原24V DC端子电源恢复正常。

  将plc电路板按拆卸顺序逆向安装到plc外壳,连接220V AC电源线上电,插入MPI适配器,此时,适配器上的指示灯也亮起。打开MicroWIN软件,简单编程后进行连接测试,图示:

  能够下载、监控,说明24V DC电源部分电路已经恢复,此,给连接s7-200电源错误的网友提供一个自己修复的参考。

小结:

  在连接cpu电源前,前务必检查确认电源的输入、输出方向及接线端子命名,万幸不是每次都会降临到你身上的,确认后方可连接电源。


您收到0封站内信:
×
×
信息提示
很抱歉!您所访问的页面不存在,或网址发生了变化,请稍后再试。