技术论坛

 MM4报F0001的6种判别方式

返回主题列表
作者 主题
钮慧萍
侠士

经验值:1490
发帖数:25
精华帖:15
楼主    2023-12-06 12:28:07
主题:MM4报F0001的6种判别方式 精华帖 

MM4中F001故障的判断

F001、A0501(过电流)在MM4产品的服务中是比较常见的,在最近当值班工程师时也遇到了好几个这种服务,根据这几年的总结,我觉得处理此故障的时候还是有很好的办法来准确判断故障原因的,把它总结一下,希望对大家会有所帮助。

F001和A0501是根据检测从变频器输出到电机的实际电流来触发的,所以基本上装置有此报警不是输出确实有过流的情况发生就是装置内部电流检测部分损坏,个别情况是因为变频器软件功率定义的问题,当然和参数设置如斜坡或提升太短也有关系,这个原因很好判断和检查,就不再详细说明了。下面只从软件、硬件和外围故障三个方面加以分析和介绍。

 

一:软件问题:

    因为软件的问题造成F001和A0501报警的基本上都发生在对装置重新进行功率定义之后。我们可能都遇到过在更换完F尺寸的触发板并且用PowerStack软件做完工率定以后,在负载很小或者是没有负载的情况下,启动变频器当频率上升到十几赫兹左右时装置就报F001故障或A0501的报警,反映在参数上是:P305和P307参数在任何情况下都不能被修改。这是因为Power Stack存在一定的缺陷,解决办法是:

1:再次重写功率,并断电,这样可能就解决问题了;但是也有种可能:反复的写都不能写成功,或者随身并没有带电脑、通讯线,这时可以采用下一种办法,从参数上对其进行修改,解决软件的缺陷。

2:进入到专家级参数,读取内存的数据,对其进行改动  

二:硬件问题

判断是否是硬件的问题,首先还是要先在未送电的情况下测量一下IGBT的特性,IGBT的断路和短路都是比较容易测量,可以判断是否是IGBT的问题,初步判定没有问题之后在送主电。

一般来说如果送电就有F001的报警且无法复位,基本上可以断定是装置本身硬件有损坏,处理此类问题时可以借助一个专家级参数r0069来作参考,进行故障点的判断,当然查看此参数需要密码才能看到。

    r0069.3 U 相偏移

    r0069.4 V 相偏移

    r0069.5 W 相偏移

在正常情况下,这三相电流的偏移的绝对值应该是接近于0A的值。

 

1: I/O板损坏

   有相当一部分的送电就报警F001时由于I/O板引起的,这时查看r0069中的相电流值都是很正常,把I/O板重新安装一下可能就解决问题了。这是否说明I/O板中也有电流的检测电路呢?答案是否定的,I/O板内部的电路没有参与到电流检测当中去,只是与主板的联接接口中的一路与F001报警有关系:



图中X1是控制板与I/O板连接端子的定义:其中第60脚SI_ALS在I/O板上是与M即接地相联接的,当I/O板未安装到位或内部有机械性的损坏时,X1-60悬空,此时SI_ALS为高电平,而SI_ALS#输出为低电平,此低电平信号送到处理器后主板F001的报警就被触发,这就是I/O板与F001报警有关的原因。

 

2:电流检测故障

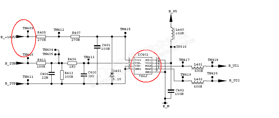
当装置送电就报F001故障且不能复位时,如果查看r0069参数中有一相电流偏移特别大或者连续变化时,可以断定这一相的电流检测出现了故障。在A-F尺寸中电流的检测是通过786J对输出侧的取样电阻的模拟信号进行采样、然后转化为数字信号送到处理器。


   一般情况而言,如果是原边的18.5V电源问题,r0069中此相的相偏移电流值是呈正余弦连续变化的,如果是检测元件786J损坏,相偏移的值是一个很大的不变化的值。

在Fx和Gx中电流检测是通过电流互感器的来实现的,互感器的检测信号直接送到CIB板, CT的功能相当于786J,对于在Fx和Gx可以近似的按照上面的思路把来进行判断。实际服务当中可以采用把拔掉CT端子的方法来判断是否电流互感器的问题。

 

3:主板损坏

如果F001无法复位,查看r0069参数中三相相偏移电流都是连续变化的数值时,这时很有可能是主板的问题,如电路图说示:



电流检测的副边共用同一个来自于主控板的P5V控制电源,所以当主板的P5V电源出现问题时,三相电流检测的相偏移电流会同时出现错误,即出现三相电流偏移都不正常的情况。

4:逆变侧故障

    前面提到IGBT的断路和短路是比较容易在静态下进行判断的,在A-F尺寸的MM4的维修中也遇到过因为触发电路损坏造成输出电压不平衡或只有两相出力的情况从而在驱动电机和负载造成力矩不足从而产生F001报警的。此类故障判断起来还是比较容易的,可以首先去掉电机电缆然后送上主电源,然后分别在静态和启动的状态下测量变频器的三相输出电压,有问题的那一相还是很容易判断的。

三:外围故障

因为外部原因造成装置出现F001报警情况也比较常见,多数与电机和接地有关,如下面的服

这个客户现场有两台200KW的430的装置,客户反映都是一启动即报警F001,当时要求客户把电机甩开再试一试,客户的反馈还是同样一启动就报警,而且U、V两相输出间短路。因为两台都是一样的问题,为了慎重起见还是给客户发了报价确认,并没有直接派工程师,也许就是因为有需要花钱的风险,所以客户又仔细的进行了检查,后来发现断开电机时不是从变频器侧脱开的而是从电机侧脱开的电缆,问题恰恰出在这里,最终的故障原因是电机电缆进水,造成U、V之间短路,从而启动的时候产生F001的报警。

 

综上:基本包括了大部分的此类故障,希望能对大家在处理此类问题是有所帮助。


样本链接:https://sfaemsm.dev-mendix.siemens.com.cn/link/customer_home

西门子驱动及自动化产品维修中心

钮慧萍
侠士

经验值:1490
发帖数:25
精华帖:15
7楼    2023-12-17 10:27:48
精华帖  主题:回复:MM4报F0001的6种判别方式

F0022这个故障其实很多部件损坏都有可能报这个故障,就你说的20年前报的多的是因为接插件可能松动的问题,会偶发报F0022,也有可能报F0001,有时候稍微震动一下就有可能触发故障,2008年后很少报了是因为对接插件的结构进行了调整,接插效果好了,所以故障率也没那么高了。

一、不能被复位的:那就是输出电流检测电路工作不正常了。西门子变频器的电流检测电路只检测U、V两相的输出电流,W相是不检测的。一般损坏部件是电流检测光耦786J坏了。

二、启动时出现F0022(未接电机的情况),这种情况一般是IGBT上的触发短路了。

三、接电机频率上升过程中出现F0022故障:这种情况主要是触发IGBT的电路损坏。

主要故障点为:

1、光耦电源回路中2个10Ω的贴片电阻开路以及极性电容短路,这种情况下用万用表直流档去测量母线电压DC+/DC-分别和输出U/V/W之间的电压,会发现DC+或DC-与U/V/W之间电压基本与母线电压接近,达到500多伏,反之DC-或DC+与U/V/W测得的电压接近于零。

2、光耦(4506/3120)损坏或者回路中其他元器件损坏。


另外一点,一般二手货都是使用年限比较长了,MM4的使用环境都是相对来说比较差的,内部板子容易被腐蚀,腐蚀后的板子容易报F0022故障,这种情况下,是没法修复的。建议更换装置或使用替代产品。


您收到0封站内信:
×
×
信息提示
很抱歉!您所访问的页面不存在,或网址发生了变化,请稍后再试。