污水处理厂大部分设备都具有就地和远程两种控制模式:就地模式下通过电气控制回路和按钮实现设备的启停控制;远程模式下通过与PLC系统的IO接口实现设备的启停控制。如果是工频设备电路设计则比较简单,通过一个转换开关切换就地和远程的控制回路就可以了,如果是变频控制就比较麻烦了,不仅要通过转换开关切换变频器的控制回路,还要切换变频器的频率给定源,就需要利用变频器的模拟量IO通道和参数设计来实现。
一种比较常用的典型设计是就地模式下通过电气柜按钮控制变频器启停,通过变频器面板调节频率;远程模式下通过PLC的DO输出控制变频器启停,两种模式下都通过变频器的AO输出频率反馈,通过中间继电器输出运行反馈。西门子V20变频器没有这种模式的宏,需要自己设置,并且需要设置的参数还非常多,今天研究了大半天终于实现了,现将方法分享给大家供参考。
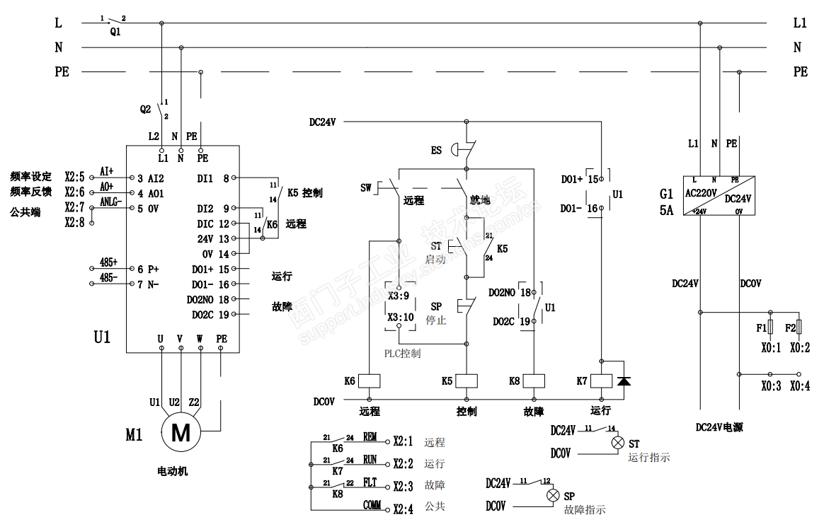
设计接线方式如下图所示:
DI1:启动/停止控制输入
DI2:远程/就地切换输入
DO1:运行反馈
DO2:故障反馈
AI2:远程频率给定(4~20mA)
AO1:频率反馈(4~20mA)

以上设计应用于一个桌面模拟实验系统,所以输入电源为单相交流220V,通过变频器转换为三相电源连接实验电动机。为了安全控制回路使用直流24V电源。实际系统中输入电源一般为三相交流380V,控制回路一般为单相交流220V。
控制要求如下:
就地控制:DI1控制变频启停,BOP面板给定频率
远程控制:DI1控制变频启停,AI1给定频率
需要设置的参数如下:

以上典型用法需要设置的参数较多,另外有网友提出更简单的方法,即不使用切换变频器给定源的方式,所有命令源和给定源都通过电气回路切换,即就地模式通过电位器输入频率设定,远程模式通过PLC输入频率设定,利用切换开关切换两种频率给定源。在实际使用中也遇到过此类设计,能减少变频器参数设置的工作量,直接使用默认宏就可以实现,缺点是点位器和PLC给定一般用电压信号,如果PLC与设备距离教远则干扰较大。