s7-200与acs 800变频器的modbus
那会也做过一回modbus的通讯,拿出来与大家分享下,工频与变频切换,恒压供水的方案。
自动调节:以压力表值(给定值为0.72Mpa)PID调节变频器调节电机转速(当压力表的数值小于给定值0.72Mpa时电机加速,当压力表的数值大于给定值0.72Mpa时电机减速,调节电机转速直到压力表为定值0.72Mpa。)旋钮切换到自动时PLC会监测模拟量信号,当模拟量信号超出4-20mA范围5s后视为模拟量信号丢失(模拟量故障灯和蜂鸣器响为压力信号丢失;只蜂鸣器响为流量表丢失),当压力信号报警时,PLC会自动切换为恒定速度(手动调试记录数值)调节电机转速,如果压力仪表恢复正常值稳定10s后PLC会自动切换为压力表PID调节电机转速。
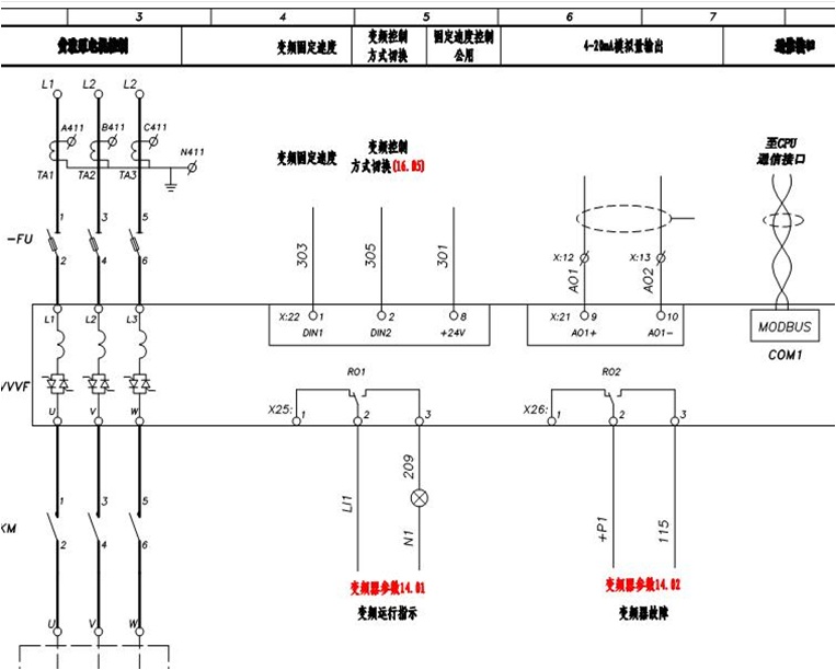
一、接线图和变频器参数

变频器参数:
.jpg)
二、电机铭牌

三、上位监控图

四、机柜图
.jpg)
