1 概述
DCDCCONV(DC-DC转换器)是SINAMICS S120基于基础应用矢量与伺服控制的软件扩展功能,激活使用DCDCCONV功能控制正常电机模块的三相输出作为直流电压变换器,可以用电压或电流的控制方式实现控制电容或电池的充放电功能。本文主要介绍DCDCCONV最新版本V1.3 SP1相关功能应用介绍,DCDCCONV硬件配置连接如图1-1。
<图1-1 硬件接线图>
2 功能介绍
2.1 电机模块DC-DC变换
使用技术扩展DCDCCONV,可以通过一个电机模块与储能电抗器和平滑电容控制电机模块输出,可以在2象限范围内设置可变直流电压和可变直流电流如图2-1
<图2-1 结构功能图>
2.2 电压电流闭环控制
电压闭环控制:通过电压传感器模块(VSM10)进行实际电压测量,作为电压实际值反馈,从而可以对电池或电容类储能负载进行恒压模式充放电。
电流闭环控制:通过端子模块(TM31)或电机模块输出侧电流互感器作为电流实际值反馈,从而可以对电池或电容类储能负载进行恒流模式充放电。
可通过参数p31661进行电压模式(p31660=1)与电流模式(p31661=2)切换如图2-2。

<图2-2 控制功能图>
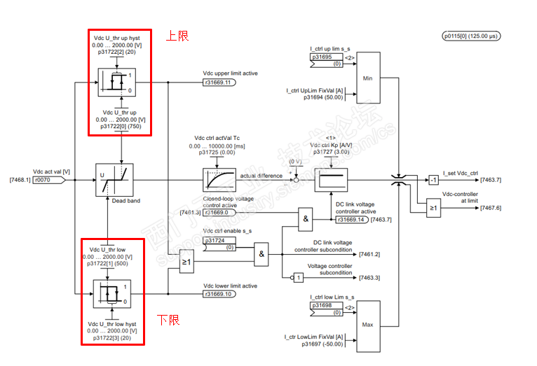
2.3 供电失败Vdc控制
如果出现电源故障,激活电压控制器或Vdc控制器来补偿直流母线上电压的偏差。例如,随着负载的变化,可能会出现这些偏差,可通过参数p31724激活Vdc控制器,当直流母线电压超过或低于通过参数p31722.0与p31722.1设置的上限与下限值,这时Vdc控制器将控制电池或电容充放电以补偿直流母线偏差,如图2-3。

<图2-3 控制功能图>
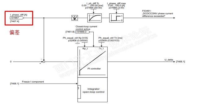
2.4相电流补偿
如果两个输出相电流不平衡,电流补偿器会优化电流分布(比例p32908,积分p30909)如图2-4,特别推荐装机装柜型的电机模块系列。

<图2-4 相位补偿功能图>
2.5直流接触器控制
电机模块输出侧直流接触器将储能装置与驱动系统分离,通过TM31端子端模块或者控制单元数字量输出端子进行控制。当储能装置出现过电压时(即输出电压大于p32902[1]中设置的最大值),直流接触器打开。当①输出电压小于阈值,②U_DC link > U_outp – 5 V,③系统无故障,④VSM监测电压不能恒定时接触器闭合,控制逻辑如图2-5。

<图2-5 直流接触器控制功能图>
2.6降噪
可以通过在储能装置充电时禁用脉冲来实现如图2-6。

<图2-6 降噪控制功能图>
2.7充放电功率限制
DCDCCONV可以在储能装置充放电时限制输出功率,防止电源过载。相关参数p31730 p31731 p31734 p31737 p31738,如图2-7

<图2-7 功率限制功能图>
2.8储能装置能量显示
储能装置的可用能量显示在参数r32904中,由电容器的电压和电容计算出其可用能量如下:
,适用于下列情况:
0.8:内部系数,考虑储能设备老化
C:储能装置电容总容量,参数p32903
Uout:输出电压实际值,参数r31679[1]
Umin:输出电压的最小值,参数p32902[0]
DCDCCONV的相关文档请参考下面的下载链接
功能手册
https://support.industry.siemens.com/cs/cn/en/view/109779338