S7-200 SMART在编程中常见问题解析
工欲善其事必先利其器,在日常的程序编辑和调试过程中,可能会遇到各种各样的问题,比如编辑好的逻辑程序执行结果不正确,编译正常的程序下载到不同的CPU中,有些可以下载,而有些提示非致命错误等等,此时如何快速的排查和分析错误发生原因就非常重要,而排查和分析的前提就需要对S7-200 SMART从软件和硬件上有更加深入的了解,下面我们就通过几个典型的案例来进行问题的分析。
案例 1
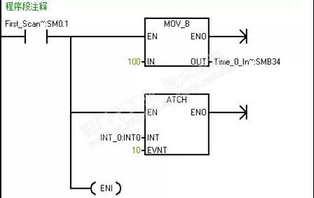
首先看图1这段程序,编译无任何问题,如果下载到不同类型的CPU中,表现就会不同,我们可以尝试下载到ST60和CR60两种类型的CPU中。

图1 主程序
下载到ST60中,程序运行正常,如果下载到CR60中,程序运行就会报非致命错误:操作数非法(错误码:0090),图2为具体的非致命错误信息:

图2 PLC信息
根据程序分析错误出现的原因和中断有关,可以查询S7-200 SMART系统手册中断章节可以找到对应答案,如表1所示,24号中断事件CR60不支持,所以在运行时会报错非致命错误。

表1
综上,当需要程序在多个不同类型CPU之间下载或者移植时,就需要提前了解各个CPU的程序容量大小、支持的数据区的大小,断电保持区域大小,是否使用到了CPU不支持的功能或者CPU固件版本是否支持等因素,只有了解了这些,才能做到有的放矢。
案例 2
在日常编程过程中,我们可能需要各种标准库,有时需要子程序和中断程序有多重调用关系,例如下面这个案例,程序想使用格雷码转换库在定时中断中每隔100ms进行一次数据的格雷码转换,请看图3:

图3 主程序

图4 子程序
程序的调用关系为:中断子程序INT0调用子程序SBR1,SBR1中调用子程序SBR2,SBR2中的程序如图4所示,下载到CPU中,通过状态图表监视程序状态,发现没有结果输出,如图5所示:

图5 状态图标监控无输出
进一步监控PLC信息,可以看到图6的非致命错误报警:超出最大用户子例程嵌套级别(错误码:0008)

图6 PLC信息
S7-200 SMART手册中规定:从主程序调用子例程的嵌套深度是 8 级,从中断例程调用嵌套深度是 4 级。
现在来看上述程序的调用关系:
INT0→SBR1→SBR2→GRAY_BIN_DW,表面上也仅仅嵌套了3级,满足中断嵌套深度要求,但是仔细查看GRAY_BIN_DW功能库可以发现,该库也嵌套了几层,嵌套关系如下:
GRAY_BIN_DW→GRAY_BIN→XOR,这样下来,嵌套关系就变成如下:
INT0→SBR1→SBR2→GRAY_BIN_DW
→GRAY_BIN→XOR,总共5层嵌套关系,超过了CPU支持的最大嵌套深度,导致CPU 无法运行,知道了原因,我们可以减少调用嵌套为4层以内,则程序就可以正常执行了。
通过以上描述就可以明白,有些看似不可理解的问题其实有其发生的原因,只有深入了解对应产品的技术细节,才能抽茧剥丝,找到问题的根源所在。
S7-200 SMART如何快速提高编程效率
在日常的编程过程中,我们可能需要不少的逻辑运算和算术运算,如果这种运算很多,有可能会导致程序量很大,CPU的扫描周期加长,在这种情况下,找到其中的规律,可以大大简化程序。
假设一个场景,现场有16台设备,需要控制16台泵的启停,IO地址如下表所示:

表2
一般的编程思路是单独写出每个泵的启动停止控制逻辑,如图7所示,需要编写16组控制逻辑:

图7 单个泵的启停控制
其实针对这种编程,我们可以变换一种思路,将上面的梯形图变换成图8所示