故事背景:
车间新上了一套装置型风冷式功率模块6SL3310-1TE33-1AA3,新人小张到现场调试,设备通电后通过STARTER 连接装置,出现F30885故障。

查故障代码帮助信息:
F30885 功率单元 CU DRIVE-CLiQ(CU):循环数据传送故障
信息值: 组件号 : %1, 故障原因 : %2
信息类别: 内部通讯 (DRIVE-CLiQ) 故障 (12)
驱动对象: B_INF, VECTOR_G
组件: 功率部件 传播: LOCAL
反应: OFF2
应答: 立即
原因: 控制单元和相关功率单元之间的 DRIVE-CLiQ 通讯有故障。
节点发送和接收不同步。
故障原因:
26 (= 1A 十六进制 ):
在收到的报文中没有设置生命符号位,而且报文收到得太早。
33 (= 21 十六进制 ):
循环报文还没有到达。
34 (= 22 十六进制 ):
在报文的接收列表中有时间错误。
64 (= 40 十六进制 ):
在报文的发送列表中有时间错误。
98 (= 62 十六进制 ):
过渡到循环运行时出错。
信息值的注释:
详细的信息在信息值 (r0949/r2124) 中是按如下方式编码的:
0000yyxx 十六进制 : yy = 组件号,xx = 故障原因
处理: - 检查相关组件的电源电压。
- 执行上电。
- 更换相关组件。
故障值33,对应“循环报文还没有到达。”小张同学折腾了好一阵,没能消除故障。于是电话联系到笔者,到现场后,首先确认CU310与PC连接正常,CU故障的可能性不大,让小张同学打开装置的前罩,检查CU与功率模块的连接,发现CU的DRIVE-CLiQ插口没有接DRIVE-CLiQ电缆,问小张同学为什么没接电缆?小张同学答复:这个要接DRIVE-CLiQ电缆吗?我在PM340上用没见要接这根电缆啊?这下问题找到了。让小张同学找来一根DRIVE-CLiQ电缆将CU和功率模块的DRIVE-CLiQ插口连上,再用STARTER连上CU,故障消除了。

总结:
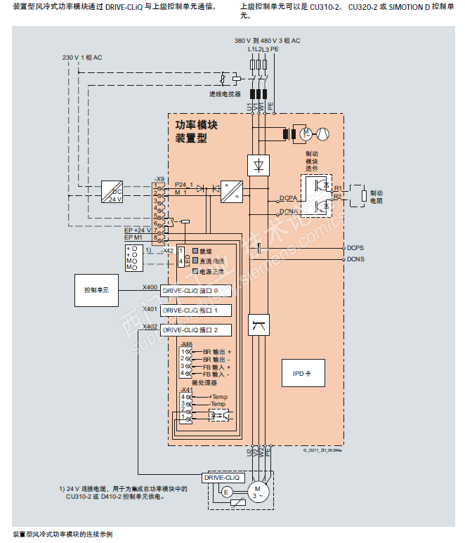
小张同学在这之前只接触过模块型功率模块,因为模块型 PM340 功率模块是通过 PM-IF 接口与 CU310-2控制单元或 CUA31/CUA32 控制单元适配器通信。对于装置型风冷式功率模块是需要通过 DRIVE-CLiQ 与上级控制单元通信的场景没有经验。下图展示了两种功率模块的区别:

