回复:6SE70的摩擦补偿如何做

kdrjl

版主 西门子1847工业学习平台

  • 帖子

    36709
  • 精华

    451
  • 被关注

    1450

论坛等级:至圣

注册时间:2003-06-06

钻石 钻石 如何晋级?

发布于 2012-06-26 21:49:34

1楼

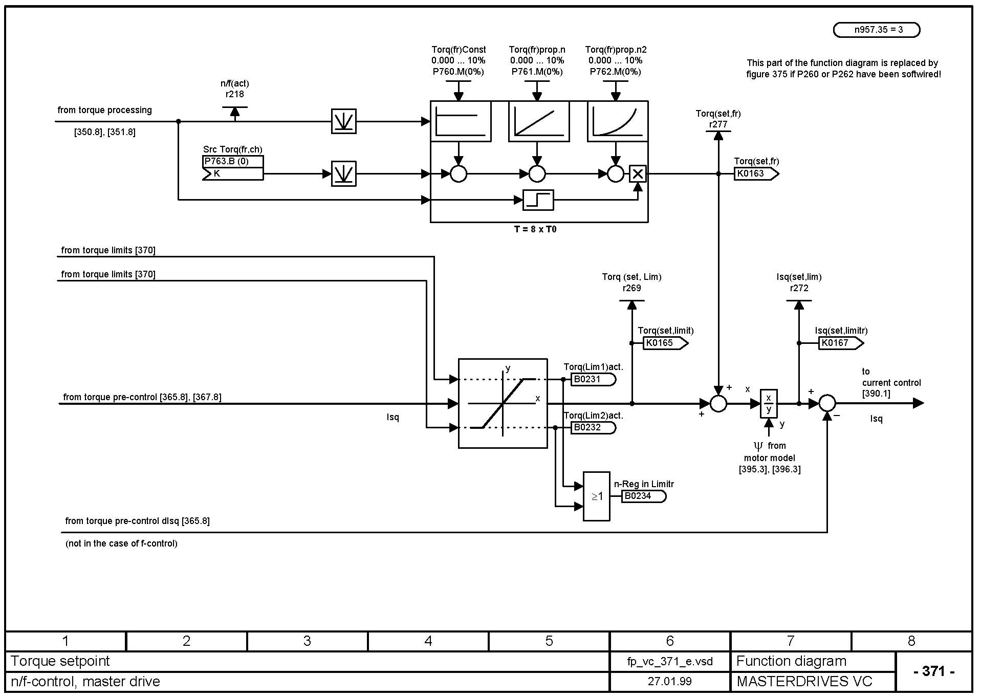
6SE70的摩擦与惯性补偿我观察过,它是自动加进去的。只要你把电机的铭牌数据准确的输入相关参数,然后P115=1/2/4/5依次辨识。这个补偿是自动加进去的。你可以通过突加阶跃响应来测试,看看它的效果。另外,功能图里有一张专门是讲补偿的。这个需要你自己往里加。他是一个补偿仿真的二次阻力方程。


我是你的朋友
评论
编辑推荐: 关闭

请填写推广理由:

本版热门话题

MasterDrives

共有5853条技术帖

相关推荐

热门标签

相关帖子推荐

guzhang

恭喜,你发布的帖子

评为精华帖!

快扫描右侧二维码晒一晒吧!

再发帖或跟帖交流2条,就能晋升VIP啦!开启更多专属权限!

  • 分享

  • 只看
    楼主

top
X 图片
您收到0封站内信:
×
×
信息提示
很抱歉!您所访问的页面不存在,或网址发生了变化,请稍后再试。