Modbus 主站库,从站超时后,从站恢复了也无法通讯

已锁定

wangg

  • 帖子

    230
  • 精华

    2
  • 被关注

    5

论坛等级:侠士

注册时间:2011-05-05

普通 普通 如何晋级?

Modbus 主站库,从站超时后,从站恢复了也无法通讯

1303

4

2012-07-21 10:58:01

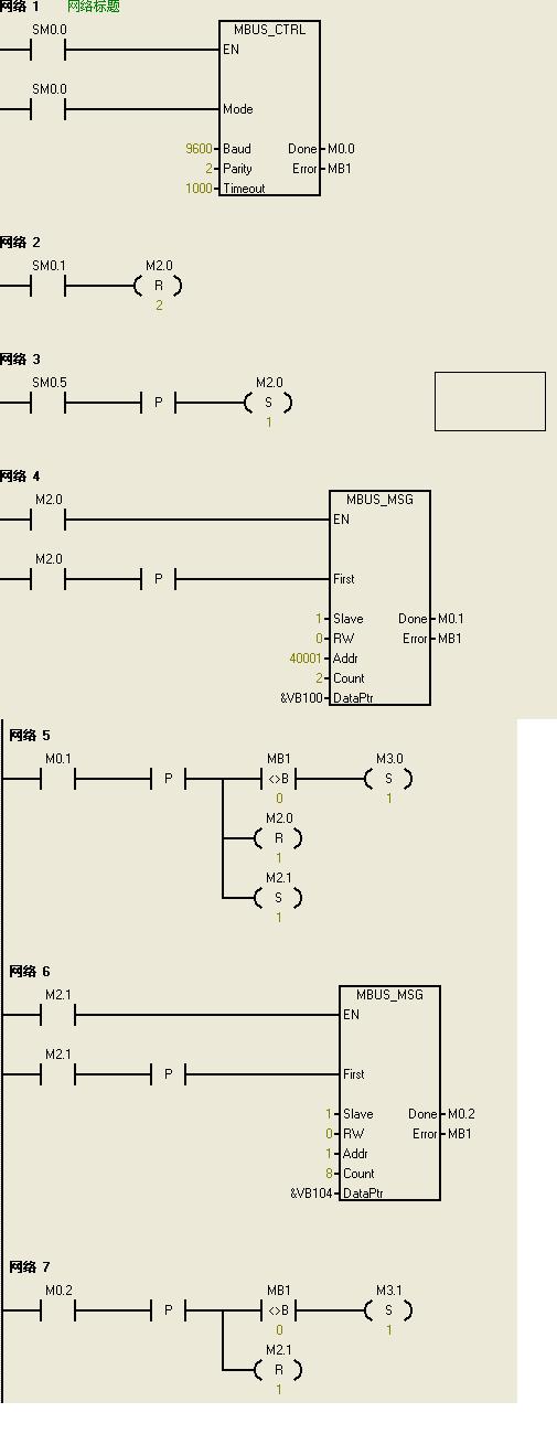
使用modbus主站库,按照s7-200系统手册中的例子,只是将触发 i0.0改成了SM0.5。从站正常后,启动s7-200,通讯正常。先启动s7-200,再启动从站,错误是超时,然后就再也无法通讯了。
使用西门子 S7-200 · LOGO! · SITOP 参考 Beta Version 0.95中的例子程序就没有这个问题,从站恢复后,通讯很快就正常了,请大家指点迷津。
谢谢。


PS:我使用的是电脑作为从站,软件是modbus Slave。
Modbus 主站库,从站超时后,从站恢复了也无法通讯 已锁定
编辑推荐: 关闭

请填写推广理由:

本版热门话题

SIMATIC S7-200

共有33303条技术帖

相关推荐

热门标签

相关帖子推荐

guzhang

恭喜,你发布的帖子

评为精华帖!

快扫描右侧二维码晒一晒吧!

再发帖或跟帖交流2条,就能晋升VIP啦!开启更多专属权限!

  • 分享

  • 只看
    楼主

top
X 图片
您收到0封站内信:
×
×
信息提示
很抱歉!您所访问的页面不存在,或网址发生了变化,请稍后再试。