回复:西门子200的自动停止运行的问题

海猫

  • 帖子

    775
  • 精华

    2
  • 被关注

    11

论坛等级:侠圣

注册时间:2004-11-03

黄金 黄金 如何晋级?

发布于 2012-08-02 11:29:23

18楼

quote:以下是引用海阔天空1234在2012-08-01 16:38:33的发言:
大家说的用stop指令,能不能说说具体怎么使用?





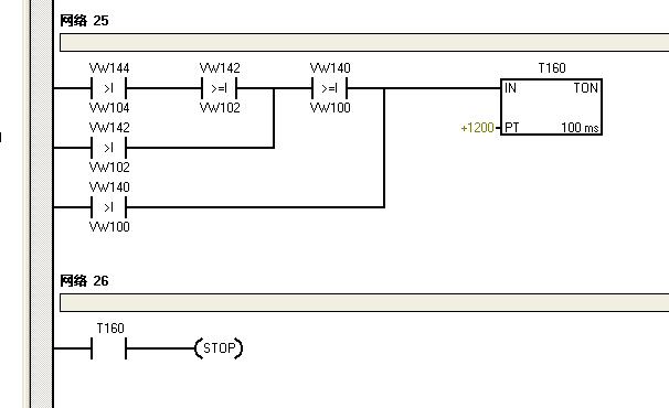
这是一个有年月日的,条件满足即动作,二次送电,有一个延时,延时多长你自己定
谈论西门子群号为:807060733欢迎到QQ群内谈论技术
评论
编辑推荐: 关闭

请填写推广理由:

本版热门话题

SIMATIC S7-200

共有33306条技术帖

相关推荐

热门标签

相关帖子推荐

guzhang

恭喜,你发布的帖子

评为精华帖!

快扫描右侧二维码晒一晒吧!

再发帖或跟帖交流2条,就能晋升VIP啦!开启更多专属权限!

  • 分享

  • 只看
    楼主

top
X 图片
您收到0封站内信:
×
×
信息提示
很抱歉!您所访问的页面不存在,或网址发生了变化,请稍后再试。