quote:以下是引用kdrjl在2012-09-05 19:47:51的发言:quote:以下是引用nnnn1234在2012-09-05 08:34:03的发言:也可以用三相调压器直接接变频器的输入,采用变频器自身带的整流部分来充电。
采用加给输入额定电压的百分比的形式实现,如下图:

不行呀,如果是可控硅的整流变频器这个就不行了。所以,西门子给出了一个通用的预充电的做法,那就是自己整流,充电电路直接挂母线。而变频器不要上电。这个比较安全。
其实,现在的智能化可控硅整流模块,非常成熟,买一个几百块钱,然后交流接三相电源,直流接母线。用一个0-10V的可调电源,调节智能模块的输入,一个电子调压器,就做成了。体积很小,便携的专用充电设备。好哇。
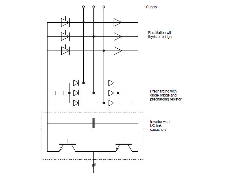
对6se70来说的两种充电回路是没什么问题的:分37kw以下的变频充电回路和45kw以上的变频充电回路。他们的充电回路电路图如下,
一、37kw以下的变频充电回路电路图

二、45kw以上的变频充电回路电路图
The darkness is no darkness with thee.