回复:有源逆变烧快熔问题

bluesea110

  • 帖子

    134
  • 精华

    2
  • 被关注

    27

论坛等级:侠圣

注册时间:2009-04-13

普通 普通 如何晋级?

发布于 2013-08-15 22:43:48

7楼

quote:以下是引用bluesea110在2013-08-14 22:51:56的发言:
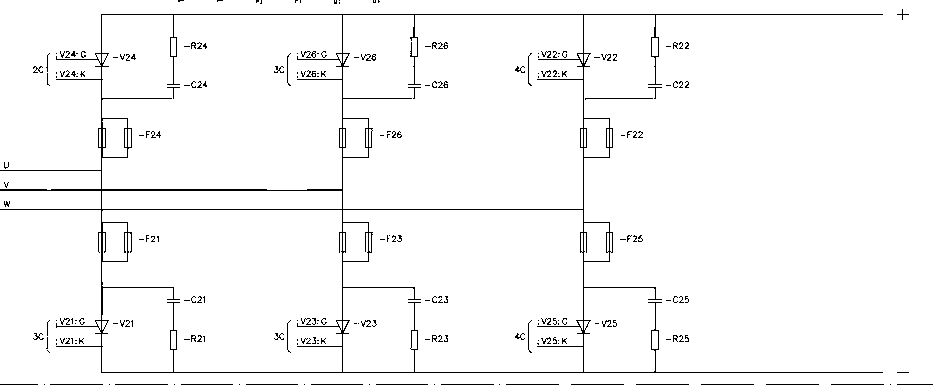
请问 有源逆变时,一相晶闸管阴阳极装反,怎么会导致另一相快熔烧。如图
V26管子接反,导致F24烧,请专家们分析下原因?
图形上传不了,版主能否处理,可参见一般三相桥式逆变电路 。



Drive Future.
评论
编辑推荐: 关闭

请填写推广理由:

本版热门话题

SINAMICS

共有8200条技术帖

相关推荐

热门标签

相关帖子推荐

guzhang

恭喜,你发布的帖子

评为精华帖!

快扫描右侧二维码晒一晒吧!

再发帖或跟帖交流2条,就能晋升VIP啦!开启更多专属权限!

  • 分享

  • 只看
    楼主

top
X 图片
您收到0封站内信:
×
×
信息提示
很抱歉!您所访问的页面不存在,或网址发生了变化,请稍后再试。