回复:发一个用Wincc画的自来水厂工艺流程图

will666

西门子1847工业学习平台

  • 帖子

    2194
  • 精华

    13
  • 被关注

    116

论坛等级:奇侠

注册时间:2009-05-19

钻石 钻石 如何晋级?

发布于 2013-09-04 16:49:03

19楼

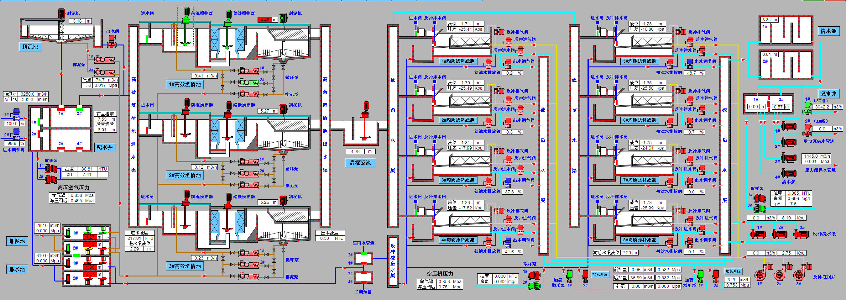
没想到还加精了,谢谢大家的捧场,听从大家的意见转成jpeg格式,就是效果差点了。





污水处理自控工程师,简称污师。
评论
编辑推荐: 关闭

请填写推广理由:

本版热门话题

SIMATIC S7-300/400

共有54760条技术帖

相关推荐

热门标签

相关帖子推荐

guzhang

恭喜,你发布的帖子

评为精华帖!

快扫描右侧二维码晒一晒吧!

再发帖或跟帖交流2条,就能晋升VIP啦!开启更多专属权限!

  • 分享

  • 只看
    楼主

top
X 图片
您收到0封站内信:
×
×
信息提示
很抱歉!您所访问的页面不存在,或网址发生了变化,请稍后再试。