回复:求老的分体式802S ECU接口说明,请801大侠及各位大佬提供,谢谢!

大杰

  • 帖子

    3793
  • 精华

    6
  • 被关注

    128

论坛等级:至圣

注册时间:2006-03-04

普通 普通 如何晋级?

发布于 2013-09-27 09:03:14

1楼

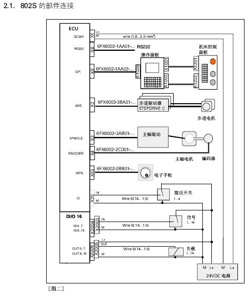
见附图:

评论
编辑推荐: 关闭

请填写推广理由:

本版热门话题

SINUMERIK

共有25760条技术帖

相关推荐

热门标签

相关帖子推荐

guzhang

恭喜,你发布的帖子

评为精华帖!

快扫描右侧二维码晒一晒吧!

再发帖或跟帖交流2条,就能晋升VIP啦!开启更多专属权限!

  • 分享

  • 只看
    楼主

top
X 图片
您收到0封站内信:
×
×
信息提示
很抱歉!您所访问的页面不存在,或网址发生了变化,请稍后再试。