回复:6ra80通过profibus给定速度p50433该怎么设,还要设定哪几个参数。

kdrjl

西门子1847工业学习平台

  • 帖子

    36706
  • 精华

    451
  • 被关注

    1450

论坛等级:至圣

注册时间:2003-06-06

钻石 钻石 如何晋级?

发布于 2013-11-21 19:20:10

1楼

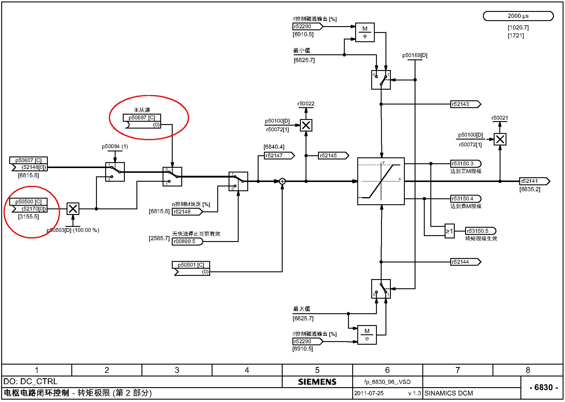
有功能图,看看通讯部分、转矩控制部分。







看了一下,和70没什么不同,就是参数号都变了,而且参数多了。基本结构没变呀。
我是你的朋友
评论
编辑推荐: 关闭

请填写推广理由:

本版热门话题

直流调速器

共有3834条技术帖

相关推荐

热门标签

相关帖子推荐

guzhang

恭喜,你发布的帖子

评为精华帖!

快扫描右侧二维码晒一晒吧!

再发帖或跟帖交流2条,就能晋升VIP啦!开启更多专属权限!

  • 分享

  • 只看
    楼主

top
X 图片
您收到0封站内信:
×
×
信息提示
很抱歉!您所访问的页面不存在,或网址发生了变化,请稍后再试。